Specifications

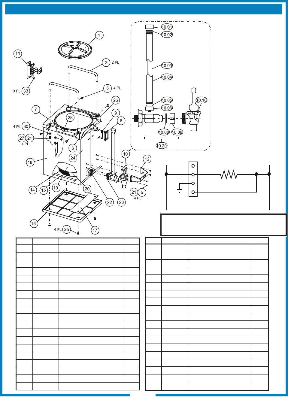
SATELLITE EXPLODED VIEW, PARTS LIST & WIRING DIAGRAM
25
L1
N E U T.
45W
SCHEMATIC P/N 73061
SATELLITE ASSEMBLY 9340 120V
MODEL VOLTS WATTS
9340 120 45
ITEM PART NO DESCRIPTION QTY
1 2L-73863 TANK LID ASSY, SRL-DP 1
2 2R-73099 HANDLE SATELLITE TOP 9105 2
5 SCREW, 8-32X3/8” BLK OXIDE 8
6 STIFFENER BRACKET LEFT 1
7 2L-73558 TOP COVER SATELLITE 1
8 FRAME, DECAF (PART OF #9) 1
9 DD-83092 DOOR DECAF & FRAME 1
10 2U-73112 FAUCET W/SG 10” 1
10.01 WS-8600-17 CAP SHIELD VENT HL 1
10.02 WS-8700-25J WASHER UPPER TUBE 1
10.03 WS-8705-11C TUBE SIGHT-GLASS 10IN 1
10.04 WS-8600-20 SHIELD 10 GAUGE 1
10.05 WS-8705-11B WASHER 79ES GASKET W/1/16H 1
10.06 WS-8705-11G SHIELD BASE 1
10.08 WS-8600-26 C RING 1
10.09 WS-8600-27 NUT WING #17 ANY B 1
10.10 2U-71460 SEAT CUP TEA DISP FAUCET 1
10.20 WS-8705-11D SHANK ASSEMBLY
12 DD-74326 HANDLE FAUCET GUARD 1
ITEM PART NO DESCRIPTION QTY
13 WS-83172 RECEPTACLE PIN WIRED ASSY 1
14 N.L.A. ELEM HTR SILICON 45W W/TAPE 1
15 D7-73117 INSUL LYTHERM TANK BTM 1
16 2L-73057 BASE POLYPROP INJECT MOLD 1
17 PLATE STIFFENER 1
18 WELDMENT, SATELLITE BODY 1
19 TANK SUB ASSY w/FITTINGS 1
20 TAPE GLASS CLOTH 33
21 THREADLOCK RED A/R
22 2I-70801 SEAL DRAIN FITTING 2
23 TAPE TEFLON 1.74
24 LABEL SATELLITE 1
25 SCREW, PAN PHL 8-32X1/2” 4
26 STIIFENER BRACKET RIGHT 1
27 SCREW, TRS PHL SS 10-32X3/8” 4
28 2I-70812 O-RING 7IDX7 1/4OD X1 1
30 WASHER #10 4
33 2C-73457 NUT 8-32 HEX HEAD KEPS MS 3
34 2M-73132 LABEL CAUTION DO NOT IMMERSE 1
DD-74345-M672 OP MANUAL DUAL SATELLITE BREWERS
DD-74345-M672 OP MANUAL DUAL SATELLITE BREWERS










