Specifications

Technical Information
41
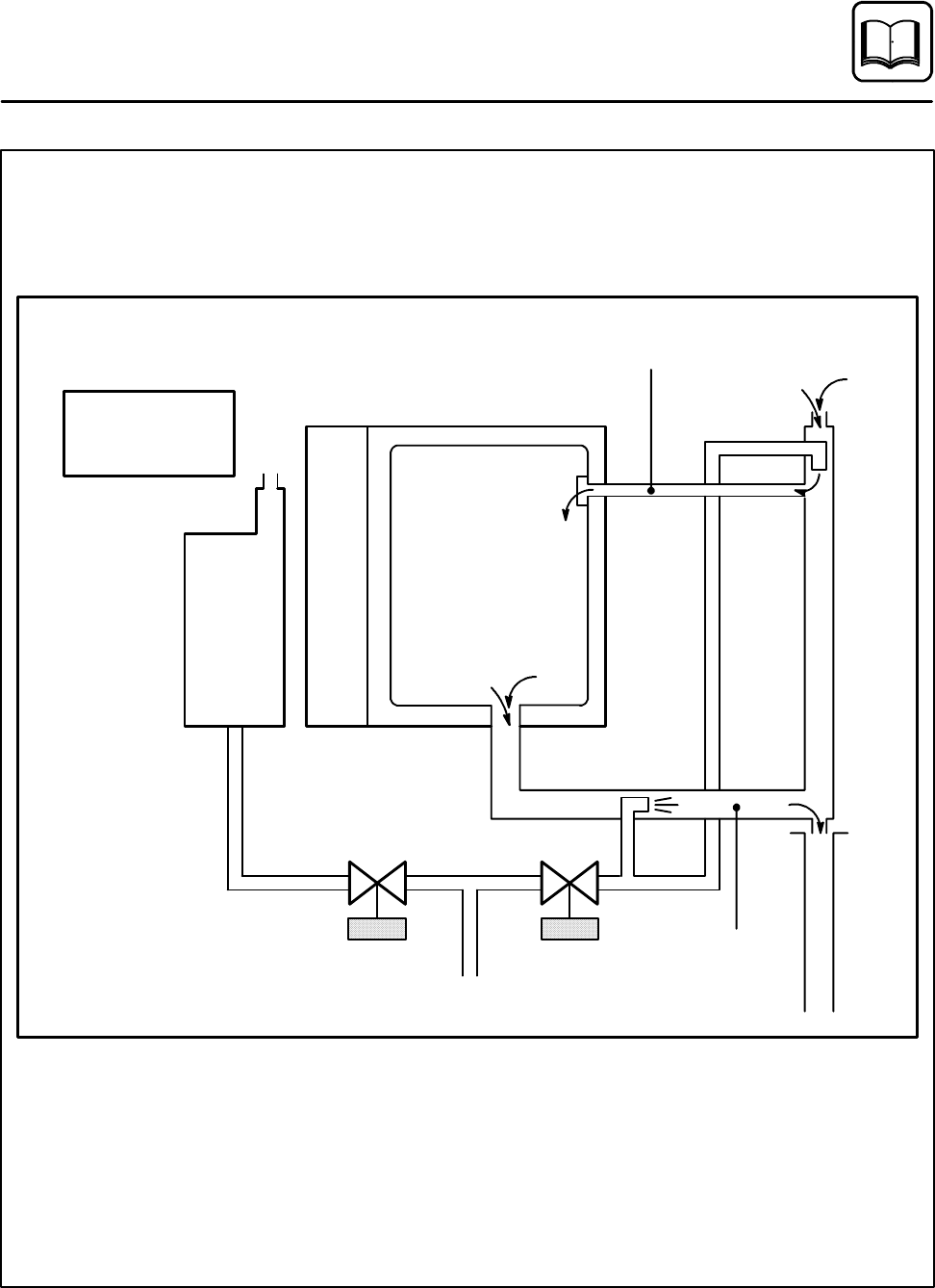
Quenching System
QUENCHING SYSTEM/NEGATIVE
Steam introduced to cooking compartment con-
denses on food releasing it’s latent heat of con-
densation. This condensation from gas to liquid
causes a slight decrease in compartment pres-
sure contributing to the negative pressure at the
Venturi Opening.
P2
175_F(80_C)
P4
SPRAY ON @
100_F(38_C)
“COLD AIR
--- .02 TO --- .05 PSI
NEGATIVE PRESSURE
DUE TO
VENTURI EFFECT
FRESH
AIR
Figure 29










