Specifications

Technical Information
40
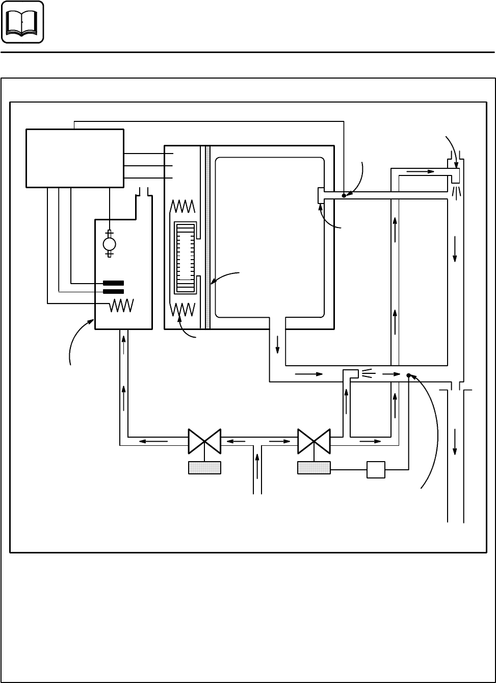
Quenching System
COOKING
COMPARTMENT
FAT
FILTER
SPRAY NOZZLE
VENTURI
OPENING
SPRAY
NOZZLE
ATMOSPHERIC
DRAIN
FILLING
SOLENOID
QUENCHING
SYSTEM
SOLENOID
ELEMENT
BLOWER
ELEMENT
P3
P5
FLOAT
F3
P1
P2
175_F(80_C)
P4
SPRAY ON @
100_F(38_C)
STEAM
GENERATOR
CONTROLS
F6
Figure 28
P1 --- Toohotforsteamcavitythermostatopens@
150_F(66_C) , closes @230_F (110_C)
P2 --- Steam production control
P3 --- Steam priority preheat, preheats boiler t o
170_F(77_C), then changes state at start of
Combi or Steam mode only
P4 --- Quench thermostat opens @ 100_F(38_C)
P5 --- Hot air cavity thermostat 150-500_F
(66-260_C) or 200-500_F (93-260_C)
F3 --- Cavity high limit thermostat opens @ 662_F
(350_C)
F6 --- Boiler high limit opens @ 275_F (135_C)










