Specifications
Manuals
Brands
Blodgett Manuals
Kitchen Appliances
Combi
31
32
33
34
35
36
37
38
39
40
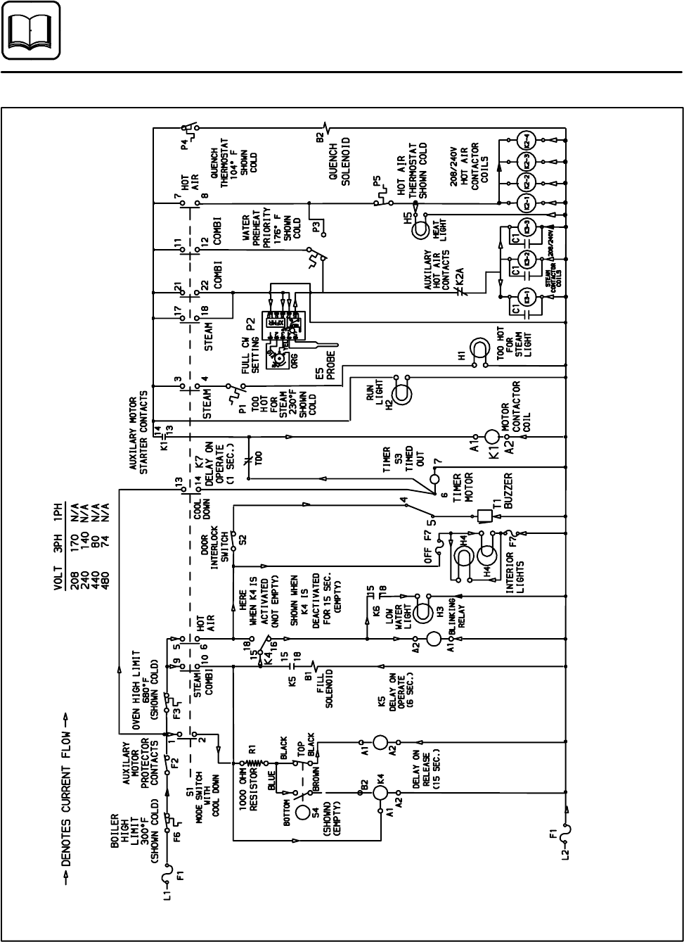
Figure
23
T
e
chnical
Info
rm
ation
34
COS
-20
Service
Schematics
1
...
...
36
37
38
39
40
...
...
49