Specifications

Operation
16
Standard Controls
4
5
6
1
3
7
9
2
§§§
8
10
Figure 13
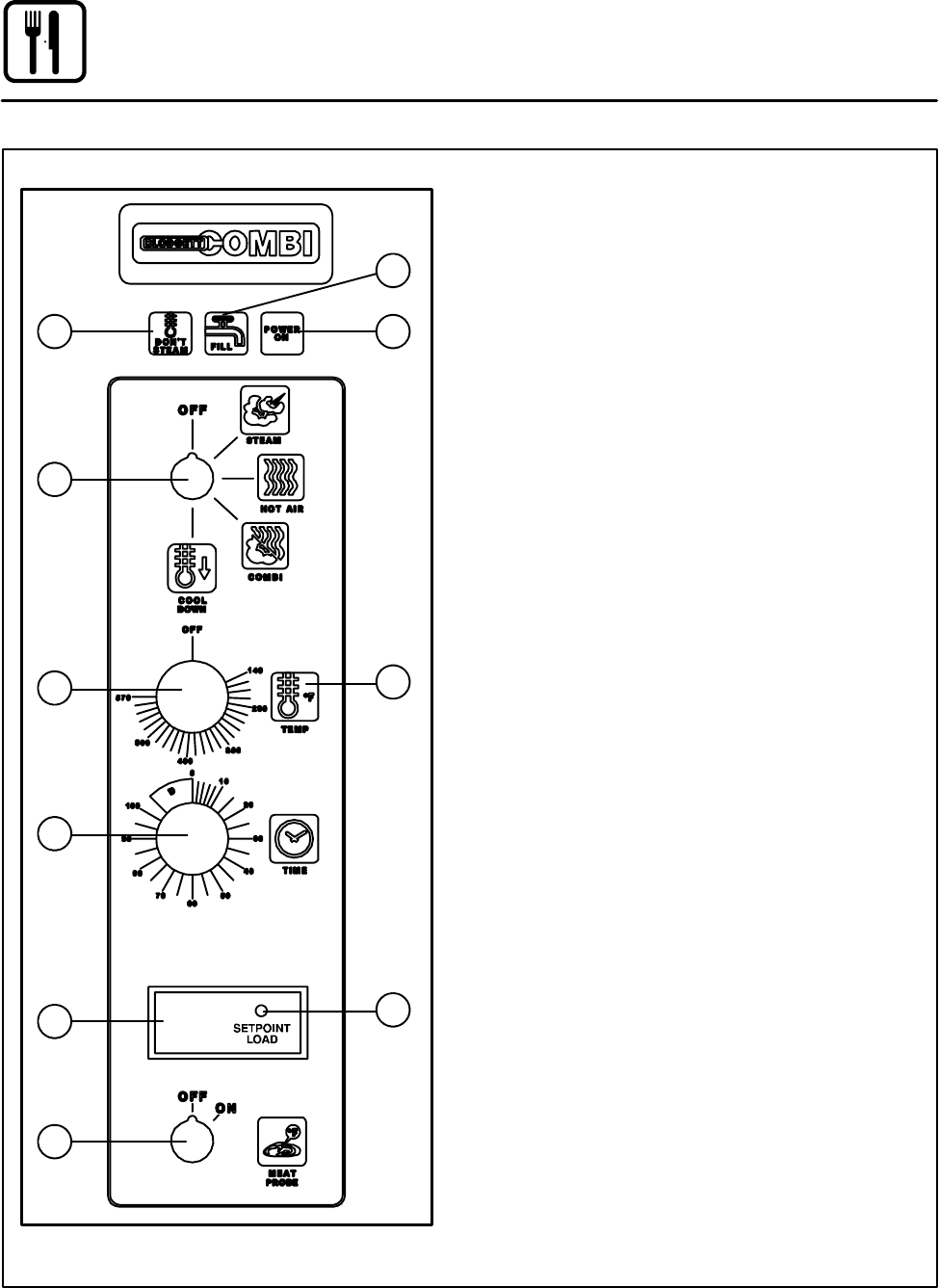
CONTROLS IDENTIFICATION
1. Indicator Light: Appliance Too Hot, DON’T
STEAM
This light is on when the STEAM function is
turned on and the oven temperature is higher
than 230_F (110_C). Cool the appliance by
turning the mode selector switch to COOL
DOWN mode until the temperature is below
230_F (110_C). This light does not inhibit
steam production.
2. Indicator Light: LOW WATER, FILL
This light flashes when the water level in the
steam generator is too low. The appliance
shuts off automatically in order to avoid dam-
age. In this case, turn on the w a ter tap or
check to see if the flow of water is stopped.
3. Indicator Light: POWER ON
Lights up when the appliance is in operation
(HOT AIR, STEAM or COMBI).
4. Mode Selection
Toturntheapplianceon,simplyturntheMode
selector switch to the desired function:
5. Indicator Light: Heating Indicator, TEMP
Lightsup w hen theHotAirheatingisinopera-
tion and indicates the duration of the heating
period. It can also be used for checking tem-
perature as it shuts off when the desired tem-
perature has been reached.
6. TEMPERATURE Selection Dial
7. TIMER 0-100 minutes and “D” for constant
operation
8. Meat Probe Internal Temperature Switch *
9. Meat Probe Temperature Indicator (digital)
*
10. Meat Probe Selector Dial *
* Optional (not available on COS-6 models)










