Manual
Manuals
Brands
Blagdon Pump Manuals
Pumps
X50 Hygienic
3
4
5
6
7
8
9
10
11
12
Table Of Contents
1100-H B5005 HYG.pdf
22_b50_x50_hygienic_manual-rev0911
HG-CF-1
100 Rev
. D - 09.02.1
1
b50_x50_hygienic_manual-rev091
1
Page 1
1
HG-CF-1100 Rev. G - 11.01.10
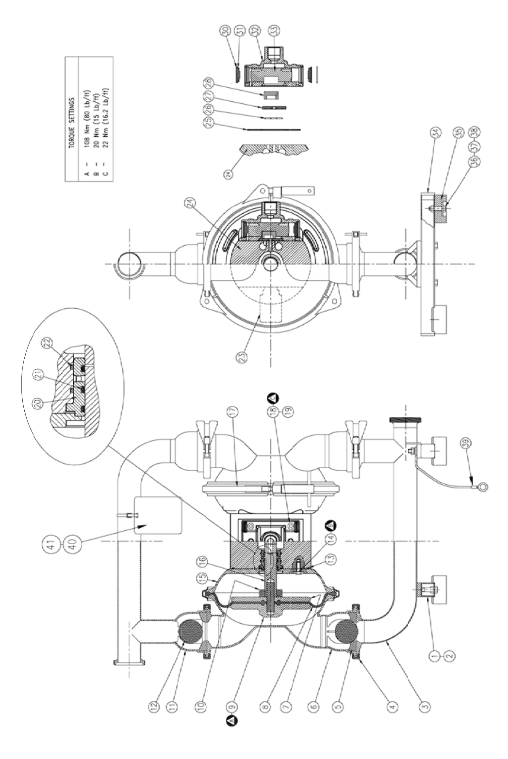
Page 11
Sectional General Assembly :- B50 & X5005 Hygienic Pump.
Refer to page 10 Parts List table for Item Ref. Nos.
1
...
...
9
10
11
12