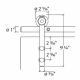
Dimensional Drawing
Manuals
Brands
Beyerle Manuals
Hardware
Unotec 70-7/8 Inch Long Wood Barn Door Fitting Set
1
2
3
1
2
3
Summary of content (3 pages)
PAGE 1
PAGE 2
PAGE 3