Installation Instructions

13
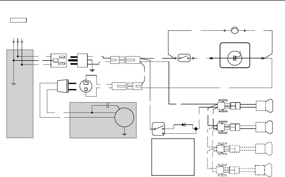
19. WIRING DIAGRAMS
INTERIOR BLOWER
120 VAC
GROUND
LINE
NEUTRAL
BLK
G
W
BLK
W
W
BLK
BLK
W
M
INTERNAL BLOWER ASSEMBLY
ROUGH-IN PLATE
W
BLK
BLK
W
BLK
BLU BLU
HS
T
HERMOSTAT
FAN SWITCH
BLK
S
PEED CONTROL
LAMP
SWITCH
Y
W
Y
LAMP
LAMP
W
Y
LAMP
LAMP
W
Y
HE0185A
COLOR CODE
BLK BLACK
BLU BLUE
G GREEN
W WHITE
Y YELLOW