Installation instructions

58
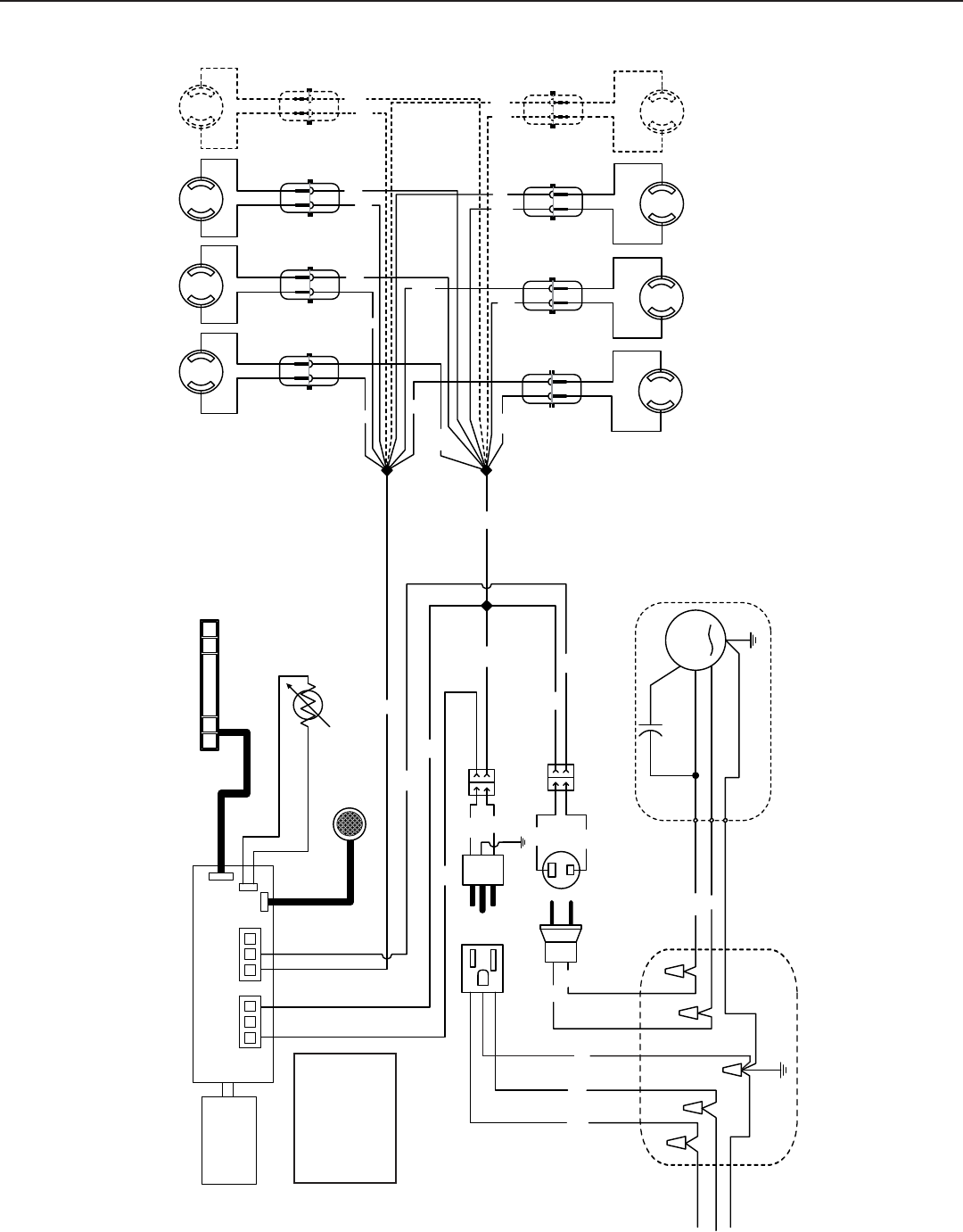
24. DIAGRAMAS ELÉCTRICOS (CONTINUACIÓN)
VENTILADOR EXTERIOR O EN LÍNEA
N
B
B
N
B
N
B
N
M
MOTOR
B
N
V
B
N
B
N
N
BB
A
H
EAT SENTRY
321 321
J5 J6
B
B
BB
B
BB B
A
A
AA
A
A
A
A
HE0184E
CASQUILLO
DE
LUZ
CASQUILLO
DE
LUZ
CASQUILLO
DE
LUZ
CASQUILLO
DE
LUZ
CASQUILLO
DE
LUZ
CASQUILLO
DE
LUZ
CASQUILLO
DE
LUZ
CASQUILLO
DE
LUZ
TARJETA DE
COMUNICACIÓN
(INSTEON)
CÓDIGOS
DE COLORES
A AMARILLO
B BLANCO
N NEGRO
V VERDE
INTERFAZ DEL USUARIO
SENSOR DE PA RTíCULAS
PLACA DEL VENTILADOR
HILO NEUTRO
LÍNEA
TIERRA
FUENTE DE
ALIMENTACIÓN
120 V
T
IERRA
CONJUNTO DE VENTILADOR EXTERIOR










