Installation instructions

57
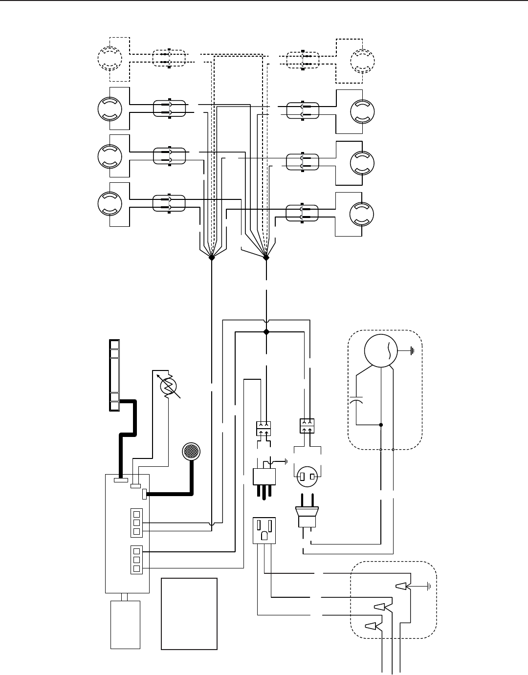
24. DIAGRAMAS ELÉCTRICOS
VENTILADOR INTERIOR
N
B
B
N
B
N
B
N
M
MOTOR
VENTILADOR INTERIOR
B
N
V
B
N
B
N
N
B
B
A
H
EAT SENTRY
INTERFAZ DEL USUARIO
321 321
J5 J6
TARJETA DE
COMUNICACIÓN
(INSTEON)
S
ENSOR DE PA RTíCULAS
B
B
BB
B
BB B
A
A
AA
A
A
A
A
HE0183E
PLACA DEL VENTILADOR
CÓDIGOS
DE COLORES
A AMARILLO
B BLANCO
N NEGRO
V VERDE
HILO NEUTRO
LÍNEA
TIERRA
FUENTE DE
ALIMENTACIÓN
120 V
C
ASQUILLO
DE
LUZ
CASQUILLO
DE
LUZ
CASQUILLO
DE
LUZ
CASQUILLO
DE
LUZ
CASQUILLO
DE
LUZ
CASQUILLO
DE
LUZ
CASQUILLO
DE
LUZ
CASQUILLO
DE
LUZ










