Installation instructions

38
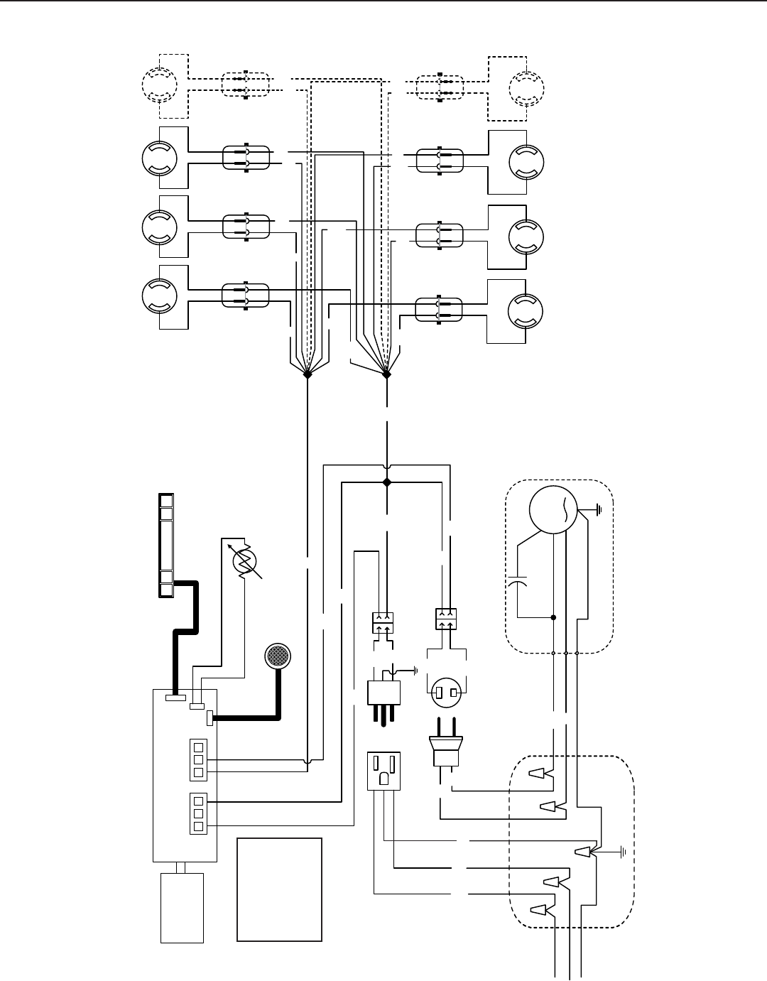
24. SCHÉMAS ÉLECTRIQUES (SUITE)
VENTILATEUR EXTÉRIEUR OU EN LIGNE
N
B
B
N
B
N
B
N
M
MOTEUR
ENSEMBLE DE VENTILATEUR EXTERNE
NEUTRE
LIGNE
MISE À
LA
TERRE
ALIMENTATION
120 V
B
N
V
B
N
B
N
N
B
B
J
H
EAT SENTRY
INTERFACE DE L’USAGER
321 321
J5 J6
CAPTEUR DE PARTICULES
B
B
BB
B
BB B
J
J
JJ
J
J
J
J
HE0184F
PLAQUE VENTILATEUR
MISE À LA TERRE
CARTE DE
COMMUNICATION
(INSTEON)
CODE
DES COULEURS
B BLANC
J JAUNE
N NOIR
V VERT
DOUILLE
DE
LAMPE
DOUILLE
DE
LAMPE
DOUILLE
DE
LAMPE
DOUILLE
DE
LAMPE
DOUILLE
DE
LAMPE
DOUILLE
DE
LAMPE
DOUILLE
DE
LAMPE
DOUILLE
DE
LAMPE










