Installation instructions

37
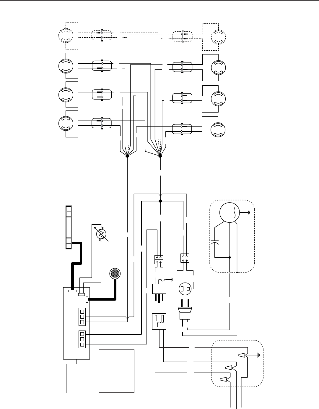
24. SCHÉMAS ÉLECTRIQUES
VENTILATEUR INTERNE
N
B
B
N
B
N
B
N
M
MOTEUR
VENTILATEUR INTERNE
NEUTRE
LIGNE
MISE À
LA
TERRE
ALIMENTATION
120 V
B
N
V
B
N
B
N
N
BB
J
H
EAT SENTRY
INTERFACE DE L’USAGER
321 321
J5 J6
CARTE DE
COMMUNICATION
(INSTEON)
C
APTEUR DE PARTICULES
B
B
BB
B
BB B
J
J
JJ
J
J
J
J
HE0183F
PLAQUE VENTILATEUR
CODE
DES COULEURS
B BLANC
J JAUNE
N NOIR
V VERT
DOUILLE
DE
LAMPE
DOUILLE
DE
LAMPE
DOUILLE
DE
LAMPE
DOUILLE
DE
LAMPE
DOUILLE
DE
LAMPE
DOUILLE
DE
LAMPE
DOUILLE
DE
LAMPE
DOUILLE
DE
LAMPE










