Installation instructions

18
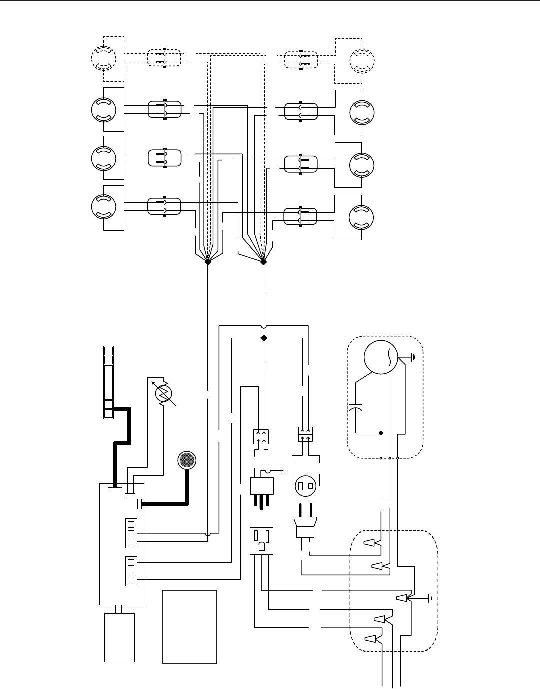
25. WIRING DIAGRAMS (CONT'D)
IN-LINE OR EXTERIOR BLOWER
B
W
W
B
W
B
W
B
M
MOTOR
REMOTE BLOWER ASSEMBLY
NEUTRAL
LINE
GROUND
120 V SUPPLY
W
B
G
W
B
W
B
B
W
W
Y
H
EAT SENTRY
USER INTERFACE
321 321
J5 J6
COMMUNICATION
BOARD
(INSTEON)
P
ARTICULATES SENSOR
W
W
WW
W
WW W
Y
Y
YY
Y
Y
Y
Y
HE0184A
ROUGH-IN PLATE
COLOR CODE
B BLACK
G GREEN
W WHITE
Y YELLOW
GROUND
LIGHT SOCKET LIGHT SOCKET LIGHT SOCKET LIGHT SOCKET
LIGHT SOCKET LIGHT SOCKET LIGHT SOCKET LIGHT SOCKET










