CP55IQ CP57IQT CP57E Series Installation Manual SV

56
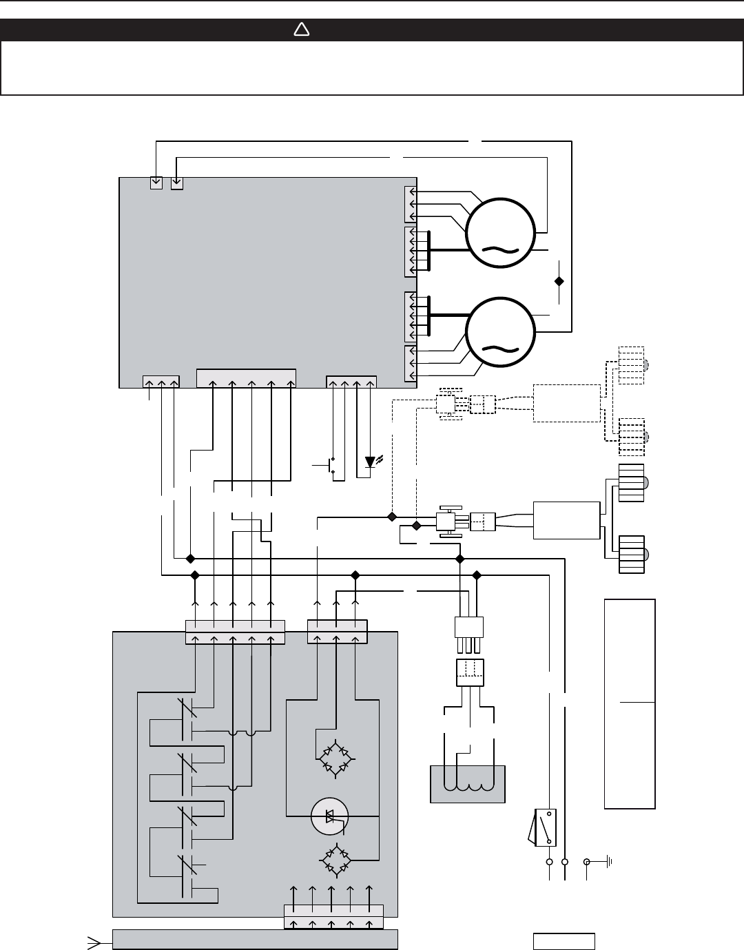
23. DIAGRAMAS ELÉCTRICOS (CONTINUACIÓN)
ADVERTENCIA
!
Riesgo de choque eléctrico. La conexión eléctrica debe hacerla personal competente con arreglo a los códigos y
normas en vigor. Antes de conectar los hilos, corte la alimentación en el tablero de servicio y bloquee los medios
de desconexión para impedir que la corriente se conecte accidentalmente.
LíNEA
HILO
NEUTRO
TIERRA
120 V C.A.
B
CÓDIGO DE COLORES
A AMARILLO
AZ AZUL
B BLANCO
RECEPTOR DE RF
HE0172F
J6
4
5
3
2
1
K1 K2 K3 K4
MOTOR
ALTA
MED. ALTA
LÁMPARA
BAJA TENSIÓN CA
REF
J1
J7
Q1
~
~
-
+
~
~
-
+
4
5
3
2
1
3
2
1
R
R
NE
NE
B
T1
INTERRUPTOR
PRINCIPAL
B
B
B
NE
AZ
N
4
5
3
2
1
L
E
N
NEUTRAL
VELOCIDAD
1
2
3
4
BOTÓN DE
CALIBRACIÓN
4
3
2
1
POTENCIA
CALIBRACIÓN
INTERFAZ DE RELÉS
2
C
D
L
B1
C
D
L
BH
ALL
_1 H
ALL
_2
B
B
MT_T
HM1
MT_T
HM2
NE
M
M
3
2
1
3
2
1
N NARANJA
NE NEGRO
R ROJO
A
LED
LED
B
LED
LED
B
A
M
ED. BAJA
BAJA
NE
NE
V
ELOCIDAD
VELOCIDAD
VELOCIDAD
EXCITADOR DE LED
ENTRADA SALIDA
EXCITADOR DE LED
ENTRADA SALIDA
Serie CP57IQT de Best (ventilador doble)










