CP55IQ CP57IQT CP57E Series Installation Manual SV

37
RÉCEPTEUR RADIO
J6
4
5
3
2
1
K1 K2 K3 K4
J1
Q1
~
~
-
+
~
~
-
+
J7
HE0169F
4
5
3
2
1
3
2
1
J
RO
B
N
O
BL
B
B
B
B
BL
O
N
B
B
BL
O
N
B
B
BL
O
N
1
2
3
4
5
6
7
8
9
1
2
3
4
5
6
7
8
9
1
2
3
4
5
6
7
8
9
1
2
3
4
5
6
7
8
9
1
2
3
4
5
6
7
8
9
1
2
3
4
5
6
7
8
9
FUSIBLE 8 A
N 120
O 120
BL 88
P 60
R 45
J 10
B 0
B 0
N 120
O 120
BL 88
P 60
R 45
J 10
B 0
B 0
N 120
O 120
BL 88
P 60
R 45
J 10
B 0
B 0
T1
T2
T3
N
N
N
B
B
N
BR
G
M
PLAQUE VENTILATEUR
N
B
V
N
B
B
N
N
B
V
PILOTE DEL
ENTRÉE SORTIE
DEL
DEL
120 V C.A.
LIGNE
NEUTRE
MISE À
LA
TERRE
MOTEUR
HAUTE
MOY. HAUTE
MOY. BASSE
BASSE
LAMPE
BASSE TENSION C.A.
REF
CODE DE COULEUR
B BLANC
BL BLEU
BR BRUN
G GRIS
J JAUNE
N NOIR
O ORANGE
P POURPRE
R ROSE
RO ROUGE
V VERT
PILOTE LED
ENTRÉE SORTIE
DEL
DEL
J
N
Série CP57E de Best
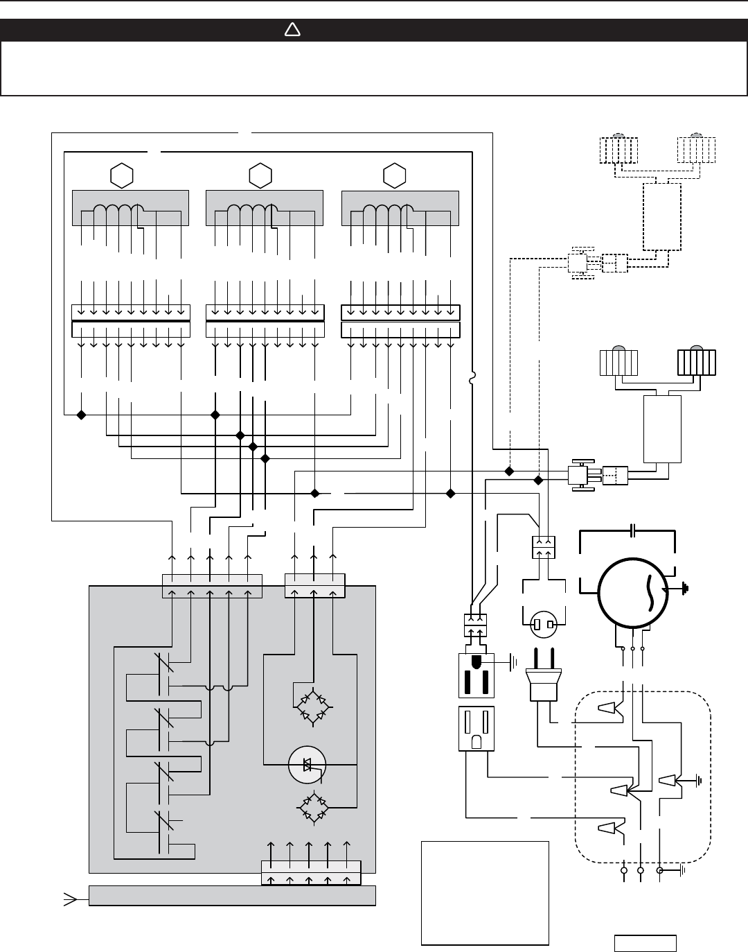
23. SCHÉMAS ÉLECTRIQUES (SUITE)
AVERTISSEMENT
!
Risque d’électrocution. Le raccordement électrique doit être effectué par du personnel qualifié conformément
aux codes et aux standards. Avant d’effectuer le branchement, coupez l’alimentation électrique au panneau de
distribution et verrouillez-le pour éviter une mise en marche accidentelle.










