CP55IQ CP57IQT CP57E Series Installation Manual SV

36
LIGNE
NEUTRE
MISE À
LA
TERRE
120 V C.A.
B
CODE DE COULEUR
B BLANC
BL BLEU
J JAUNE
RÉCEPTEUR RADIO
HE0172F
J6
4
5
3
2
1
K1 K2 K3 K4
MOTEUR
HAUTE
MOY. HAUTE
LAMPE
BASSE TENSION C.A.
R
EF
J1
J7
Q1
~
~
-
+
~
~
-
+
4
5
3
2
1
3
2
1
R
R
N
N
B
T1
INTERRUPTEUR
PRINCIPAL
B
B
B
N
BL
O
4
5
3
2
1
L
E
N
NEUTRE
VITESSE
1
2
3
4
BOUTON DE
CALIBRAGE
4
3
2
1
PUISSANCE CALIBRAGE INTERFACE DE RELAIS
2
C
D
L
B1
C
D
L
BH
ALL
_1 H
ALL
_2
B
B
MT_T
HM1
MT_T
HM2
N
M
M
3
2
1
3
2
1
N NOIR
O ORANGE
R ROUGE
J
DEL
DEL
B
PILOTE DEL
ENTRÉE SORTIE
DEL
DEL
B
J
M
OY. BASSE
BASSE
VITESSE
VITESSE
VITESSE
N
N
PILOTE DEL
ENTRÉE SORTIE
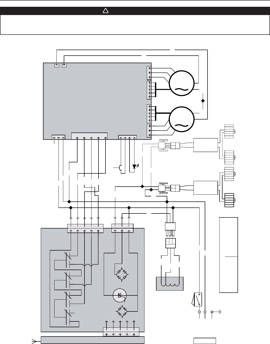
Série CP57IQT de Best (ventilateur double)
23. SCHÉMAS ÉLECTRIQUES (SUITE)
AVERTISSEMENT
!
Risque d’électrocution. Le raccordement électrique doit être effectué par du personnel qualifié conformément
aux codes et aux standards. Avant d’effectuer le branchement, coupez l’alimentation électrique au panneau de
distribution et verrouillez-le pour éviter une mise en marche accidentelle.










