CP55IQ CP57IQT CP57E Series Installation Manual SV

17
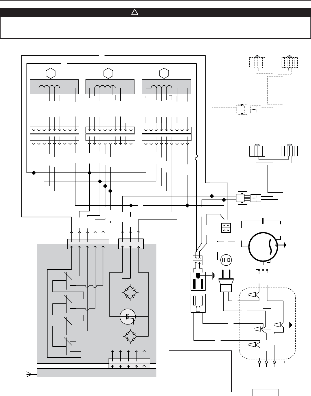
23. WIRING DIAGRAMS (CONT'D)
RF RECEIVER
J6
4
5
3
2
1
K1 K2 K3 K4
MOTOR
HIGH
MED HIGH
MED LOW
LOW
LAMP
LOVAC
R
EF
J1
Q1
~
~
-
+
~
~
-
+
J7
LINE
NEUTRAL
GROUND
120 V AC
HE0169A
4
5
3
2
1
3
2
1
YEL
RED
WHT
BLK
ORG
BLU
WHT
WHT
WHT
WHT
BLU
ORG
BLK
WHT
WHT
BLU
ORG
BLK
WHT
WHT
BLU
ORG
BLK
1
2
3
4
5
6
7
8
9
1
2
3
4
5
6
7
8
9
1
2
3
4
5
6
7
8
9
1
2
3
4
5
6
7
8
9
1
2
3
4
5
6
7
8
9
1
2
3
4
5
6
7
8
9
FUSE 8 A
BLK 120
ORG 120
BLU 88
PPL 60
PNK 45
YEL 10
WHT 0
WHT 0
BLK 120
ORG 120
BLU 88
PPL 60
PNK 45
YEL 10
WHT 0
WHT 0
BLK 120
ORG 120
BLU 88
PPL 60
PNK 45
YEL 10
WHT 0
WHT 0
T1
T2
T3
BLK
BLK
BLK
WHT
WHT
BLK
BRN
GRY
M
ROUGH-IN PLATE
BLK
WHT
GRN
BLK
WHT
WHT
BLK
BLK
WHT
GRN
LED DRIVER
INPUT OUTPUT
LED
LED
COLOR CODE
BLK BLACK
BLU BLUE
BRN BROWN
GRY GREY
GRN GREEN
ORG ORANGE
PNK PINK
PPL PURPLE
RED RED
WHT WHITE
YEL YELLOW
LED DRIVER
INPUT OUTPUT
LED
LED
YEL
BLK
WARNING
!
Risk of electrical shock. Electrical wiring must be done by qualified personnel in accordance with all applicable
codes and standards. Before connecting wires, switch power off at service panel and lock service disconnecting
means to prevent power from being switched on accidentally.
Best CP57E Series










