CP55IQ CP57IQT CP57E Series Installation Manual SV

16
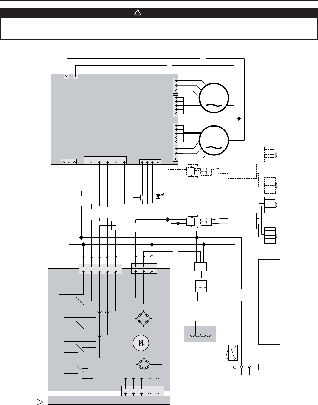
23. WIRING DIAGRAMS (CONT'D)
LINE
NEUTRAL
G
ROUND
120 V AC
WHT
COLOR CODE
BLK BLACK
BLU BLUE
ORG ORANGE
RF RECEIVER
HE0172A
J6
4
5
3
2
1
K1 K2 K3 K4
MOTOR
H
IGH
MED
HIGH
MED LOW
LOW
LAMP
LOVAC
R
EF
J1
J7
Q1
~
~
-
+
~
~
-
+
4
5
3
2
1
3
2
1
RED
RED
BLK
BLK
WHT
T1
MAIN SWITCH
WHT
WHT
WHT
BLK
BLK
BLU
ORG
4
5
3
2
1
L
E
N
N
EUTRAL
SPEED
1
S
PEED 2
S
PEED 3
S
PEED 4
C
AL.
SWITCH
4
3
2
1
POWER CALIBRATIONRELAY INTERFACE
2
C
D
L
B1
C
D
L
BH
ALL
_1 H
ALL
_2
WHT
WHT
MT_T
HM1
MT_T
HM2
BLK BLK
M
M
3
2
1
3
2
1
RED RED
WHT WHITE
YEL YELLOW
YEL
LED DRIVER
INPUT OUTPUT
LED
LED
WHT
LED DRIVER
INPUT OUTPUT
LED
LED
WHT
YEL
WARNING
!
Risk of electrical shock. Electrical wiring must be done by qualified personnel in accordance with all applicable
codes and standards. Before connecting wires, switch power off at service panel and lock service disconnecting
means to prevent power from being switched on accidentally.
Best CP57IQT Series (dual blower)










