CP55IQ CP57IQT CP57E Series Installation Manual SV

57
J6
4
5
3
2
1
K1 K2 K3 K4
J1
Q1
~
~
-
+
~
~
-
+
J7
120 V CA
HE0169E
4
5
3
2
1
3
2
1
A
R
B
NE
N
AZ
B
B
B
B
AZ
N
NE
B
B
AZ
N
NE
B
B
AZ
N
NE
1
2
3
4
5
6
7
8
9
1
2
3
4
5
6
7
8
9
1
2
3
4
5
6
7
8
9
1
2
3
4
5
6
7
8
9
1
2
3
4
5
6
7
8
9
1
2
3
4
5
6
7
8
9
FUSIBLE 8 A
NE 120
N 120
AZ 88
P 60
RO 45
A 10
B 0
B 0
NE 120
N 120
AZ 88
P 60
RO 45
A 10
B 0
B 0
NE 120
N 120
AZ 88
P 60
RO 45
A 10
B 0
B 0
T1
T2
T3
NE
NE
NE
B
B
NE
M
G
M
PLACA DEL VENTILADOR
NE
B
V
NE
B
B
NE
NE
B
V
LED
LED
RECEPTOR DE RF
MOTOR
ALTA
MED. ALTA
MED. BAJA
BAJA
LÁMPARA
BAJA TENSIÓN CA
N
EUTRAL
LÍNEA
HILO
NEUTRO
TIERRA
CÓDIGO DE COLORES
A AMARILLO
AZ AZUL
B BLANCO
G GRIS
M MARR
ÓN
N NARANJA
NE NEGRO
P PÚRPURA
R ROJO
RO ROSA
V VERDE
EXCITADOR DE LED
ENTRADA SALIDA
EXCITADOR DE LED
ENTRADA SALIDA
LED
LED
A
NE
Serie CP57E de Best
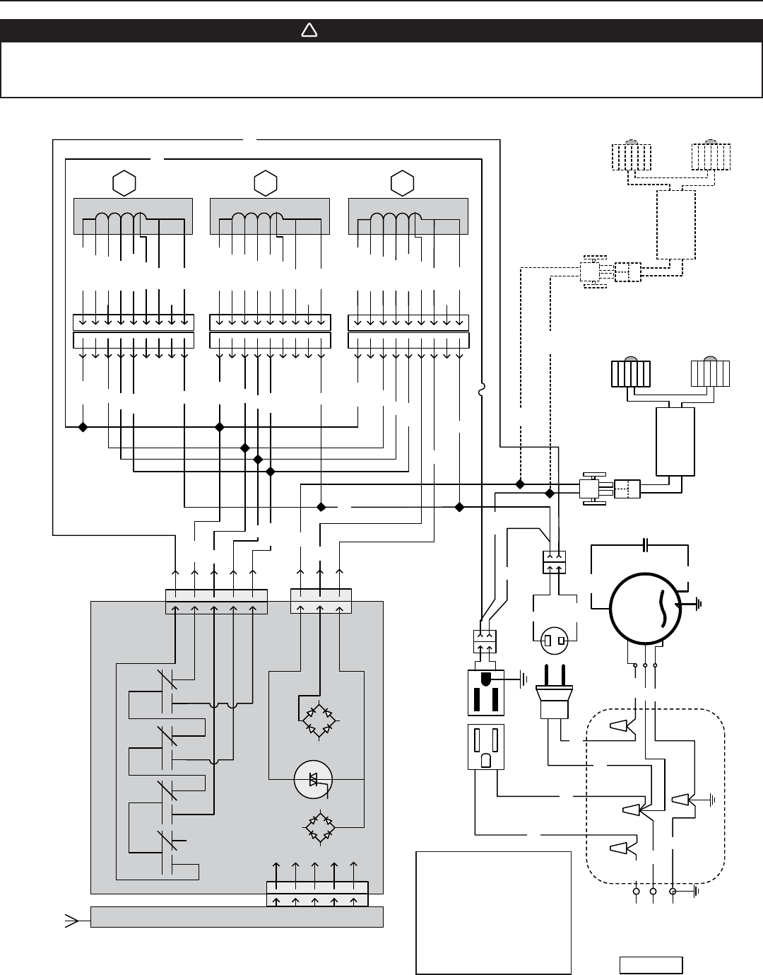
23. DIAGRAMAS ELÉCTRICOS (CONTINUACIÓN)
ADVERTENCIA
!
Riesgo de choque eléctrico. La conexión eléctrica debe hacerla personal competente con arreglo a los códigos y
normas en vigor. Antes de conectar los hilos, corte la alimentación en el tablero de servicio y bloquee los medios
de desconexión para impedir que la corriente se conecte accidentalmente.










