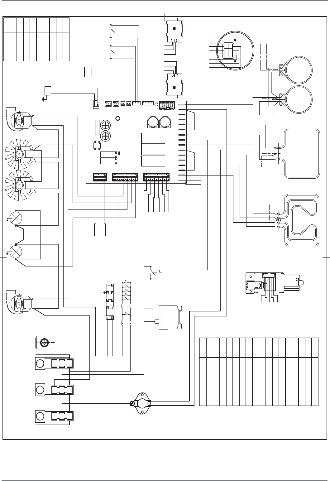
Installation Manual

13
to CN1 - 1
to CN1 - 2
to CN1 - 3
to CN1 - 4
to CN1 - 5
to CN1 - 6
EG
M
L1 N L2
GROUND
LF
LF
MVMV
MVT
down
MVT
up
PT
RG+RC
RP
RCRC
Simb. Description
mBrown
rRed
gv Green
vViolet
gr Grey
aOrange
nBlack
bBlue
bi White
COLOURS
Simb. Description
B Thermal cut-out
CMV Cooling fan air sensor switch
DL Door Lock - Door Switch
EG Electronic Gauge
FS Oven Function Selector
G Spark Generator
IGN Ignition Micro switches
TS Oven Temperature Selecton
K Termal cut out
LF Oven lamp
MTerminal Block
MT Meat Probe
MV Fan motor
MVT Cooling fan motor
PT Oven sensor Temp. (PT1000)
RC Round element
RC+RG Upper/grill element
LEGENDA
CN1- 1....6
1..4
CN2
CN21
1.3
CN24
1.3
CN23
CN30
CN22 -3.1
CN27 - 6.....1
CN28 - 6.....1
DL
to M-L1
to CN27 - 6
to CN27 - 5
to CN26 - 2
to CN26 - 3
to M-L1
to DL
to DL
to M-N
to M-L1
TS
to CN23 - 3
to CN23 - 2
to CN23 - 1
FS
to CN23 - 3
to CN23 - 2
to CN23 - 1
to DL
to DL
to M-L1
to M-N
to GROUND
TSS
1
2
K
B
G
IGN
n
to M-L1
to M-L1
to M-L1
CMV
down
CMV
up
MT
A
B
a
a
v
v
b
b
gr
gr
r
r
n
n
n
n
n
bi
bi
bi
bi
b
r
a
bi
r
n
n
n
bi
to MV
to MV
to MV
to MV
to M-GROUND
to RP
30 /36 /48 DFS
/ Wiring diagram