Installation Instructions

pagina 26
1414
1414
14
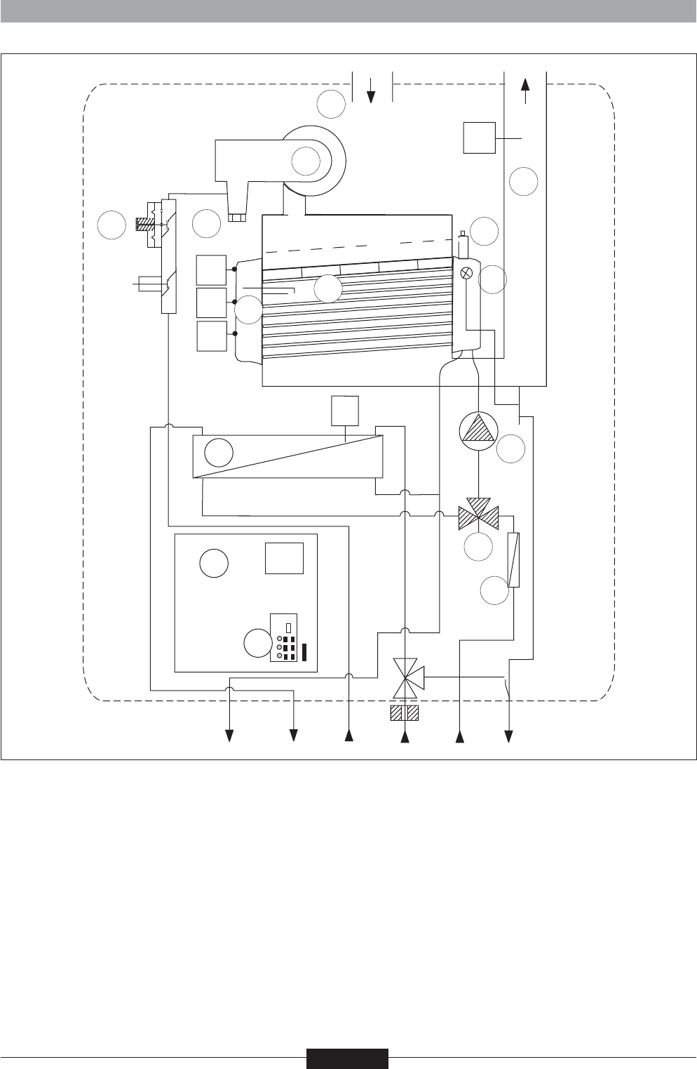
Schema diverse onderdelen ketelSchema diverse onderdelen ketel
Schema diverse onderdelen ketelSchema diverse onderdelen ketel
Schema diverse onderdelen ketel
G gasleiding
A aanvoerleiding CV
R retourleiding CV
C condensleiding
K koudwaterleiding
W warmwaterleiding
T1 aanvoersensor
T2 retoursensor
T3 warmwatersensor
T5 rookgassensor
P1 waterdruksensor
schematische ketelweergave Benraad figuur 13
A W G K R C
P1
8
3
15
T5
7
14
T1
T2
2
1
4
5
6
P1
T3
11
13
12
10
9
1 warmtewisselaar
2 ontstekingsunit
3 ventilatorunit
4 luchtinlaatdemper
5 gasblok
6 overstortventiel
7 automatische ontluchter
8 platenwisselaar(combi)
9 bedieningspaneel
10 Control Management System (CMS)
11 waterfilter retour CV
12 driewegklep
13 circulatiepomp
14 rookgasafvoer
15 verbrandingsluchttoevoer
16 typeplaat










