User Manual
Table Of Contents

Zusätzliche Installationshinweise
6.5 Sicherheit
Die meisten Operator P anels werden mit 24 V DC versorgt.
4
1
2
4
3
4
Stromversorgung
230 VDC auf 24 VDC
Stromversorgung
230 VDC auf 24 VDC
Stromversorgung
230 VDC auf 24 VDC
Bedienpanel
Bedienpanel
Bedienpanel
Abstand?
Kleiner Controller mit Erweiterungseinheit
+24 V
+24 V
+24 V
0 V
0 V
0 V
230 V AC
COM1
COM100
Ch0
Ch1
Ch100
Ch101
5355
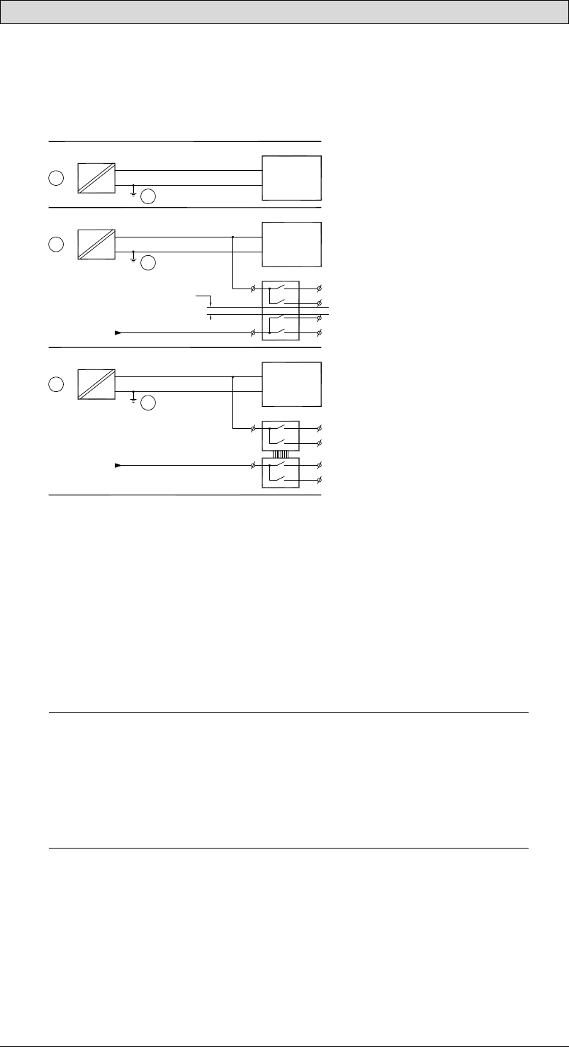
Wenn Sie eine Stromversorgung einsetzen, die den Sicherheitsstandards
entspricht und ausschließlich das Operator Panel speist,besteht kein Problem.
Siehe 1 in der Zeichnung oben.
Wenn Sie jedoch eine 24-V-Einheit nutzen, die ebenfalls andere Einheiten
versorgt, besteht Anlass zur Vorsicht, siehe 2 in der Zeichnung oben. Das
Operator Panel besitzt keine Isolierung gemäß den Sicherheitsanforderungen für
den Fall eines Potenzialkurzschlusses zwischen 230 V WS und 24 V DC. Es wird
davon ausgegangen, dass die Versorgung mit 24 V sicher ist, z.B. SELV gemäß
EN 60950 (Schutzgegen elektrischen Schlag) undUL 950.
Hinweis:
DasfolgendeBeispielerläutert,warumeinesichereVersorgungmit24V DCgestört
werdenkann,w enn 24-V-DC-Relaiskontaktemit230-V-WS-Relaiskontaktenineinem
kleinerenControllerkombiniertwerden. StellenSiesicher,d assdieAbständeund
Kriechstreckenzwischen24VDCund230VWSdenVorgabengemäßEN60950oder
UL950entsprechen. Istdiesnicht derFall,bestückenSiedas OperatorPanelmiteiner
separaten24-V-Einheit.
Wenn zwischen den Relaiskontaktenfür 24 V DC und 230 V DC ein größerer
Abstand vorliegt, kann ein- und dieselbe24-V-Einheit für die gesamte Versorgung
verwendet werden. Siehe 3 in der Zeichnung oben.
Ve rbinden Sie 0 V an der 24-V-Einheit mit der Erde. Daraus ergeben sich
drei Vorteile:
BeijerElectronics, MADE180B
29










