Electric Company Portable Generator User Manual
Manuals
Brands
Baldor Manuals
Portable Generator
Baldor Electric Company Portable Generator AE8
61
62
63
64
65
66
67
68
69
70
Series AE1
1 C-7
MN2415
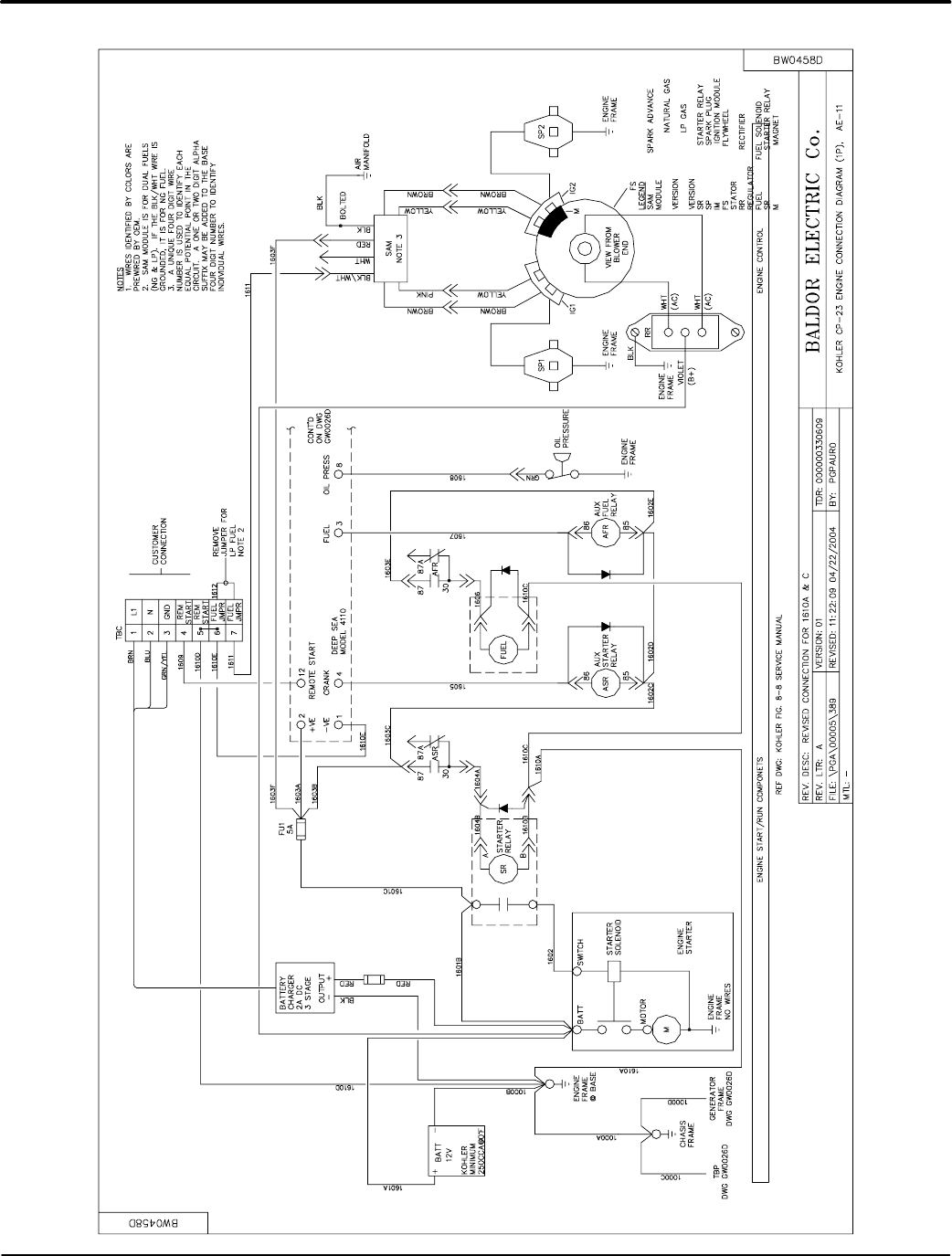
Figure C-9 AE1
1 Engine Connection Diagram
1
...
...
61
62
63
64
65
...
...
74