Instruction manual
Table Of Contents
- 1 Safety Summary
- 2 Introduction
- 3 Controls and Indicators
- 4 Operating Instructions
- 6 Specifications
- 7 Certification
- 8 Service Information
- 9 Limited Two-Year Warranty

7
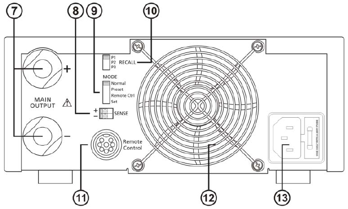
3.2 Rear Panel
Figure 2 - Rear Panel
(7) Main Output Terminal (max 60 A for 1900 / 30 A for 1901 / 15 A for 1902)
Note: Please see
Section 4.1.4 for more details on using both main and
auxiliary output terminals together.
(8) Remote Sensing Terminal (model 1900 only)
(9) Mode Selection Switch (Normal, Preset, Remote Control, Set Modes)
(10) Recall Preset Selection Switch
(11) Analog Remote Control Terminal
(12) Cooling Fan Air Intake Grille
(13) AC Input Plug and Fuse Compartment










