Instruction manual
Manuals
Brands
B&D Manuals
Garage Door Opener
Diamond Series
19
20
21
22
23
24
25
26
27
28
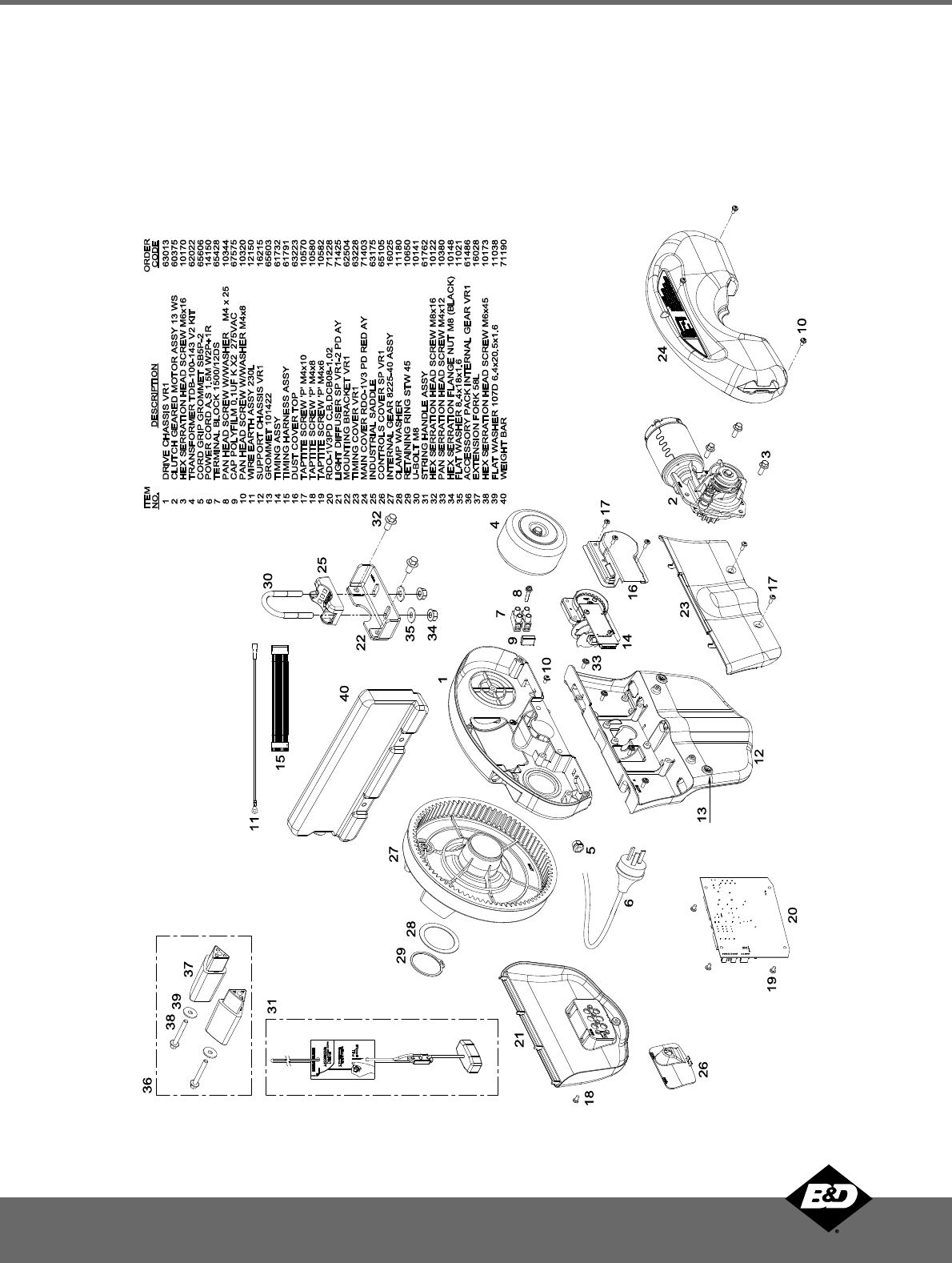
Spare Parts
Diamond PD
Power Drive
: Instruction Manual
© Copyright June 2012 B&D Doors
25
Controll-A-Door
®
Diamond PD - Power Drive
Instruction Manual
1
...
...
23
24
25
26
27
...
28