Instruction manual
Manuals
Brands
Axminster Manuals
Power Tools
TSCE-12R
39
40
41
42
43
44
45
46
47
48
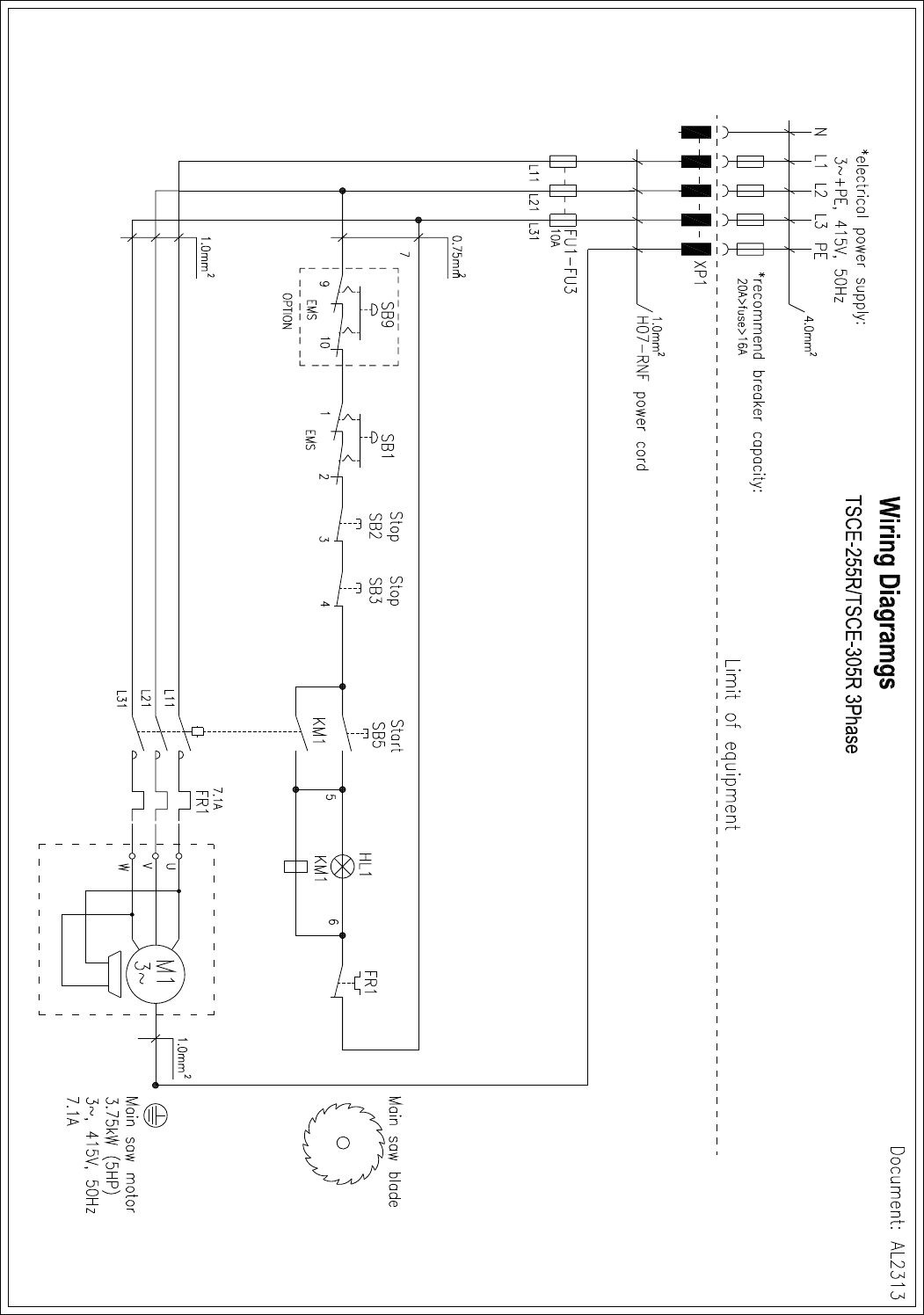
- 45 -
1
...
...
43
44
45
46
47
...
48