Technical data

PAGE 17
System Description
2 SYSTEM DESCRIPTION
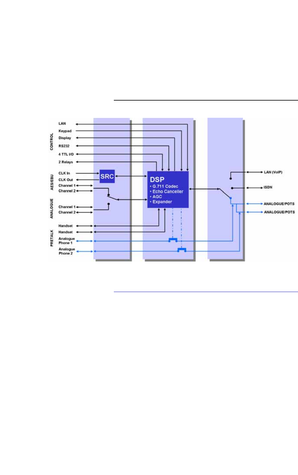
The functional elements of the system are pictured in Fig. 3.
FIG. 3 FUNCTIONAL ELEMENTS OF MAGIC TH2PLUS
2.1 Functionality
The MAGIC TH2plus system incorporates two POTS interfaces, an ISDN in-
terface and a LAN interface. The operating mode can be set with the help of
the Windows PC Software or the front keypad and display. In each operating
mode two independent telephone hybrids are available within one system
(channel 1 and channel 2).
The complete signal processing is taken over by a digital signal processor. In
this way the following functions are carried out:
– G.711 Audio encoding and decoding
–two independent Echo Cancellers for each line
–two independent AGCs (Automatic Gain Control)
–two independent Expanders (to suppress spurious signals)
– control of the complete system (Keypad, Display, Relay, TTL, RS232,
LAN)
As ON AIR Audio inputs/outputs two independent analogue or digital Au-
dio interfaces (digital: one AES/EBU interface) are available. If the AES/EBU
interface is selected, both channels are multiplexed together (right/left chan-










