Manual
Manuals
Brands
Avalue Manuals
Hardware
EMX-QM77
1
2
3
4
5
6
7
8
9
10
Quick Installation Guide
Quick
Installation
Guide
7
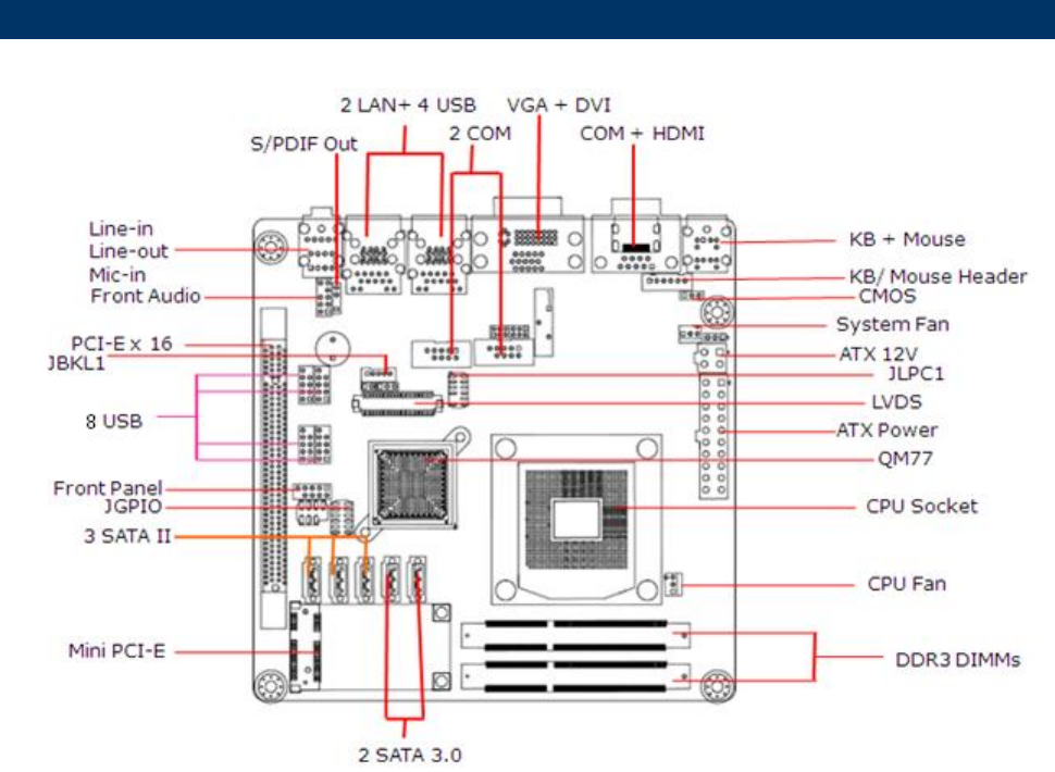
2.1
Product Overv
iew
1
...
...
5
6
7
8
9
10
...
11