
2-16
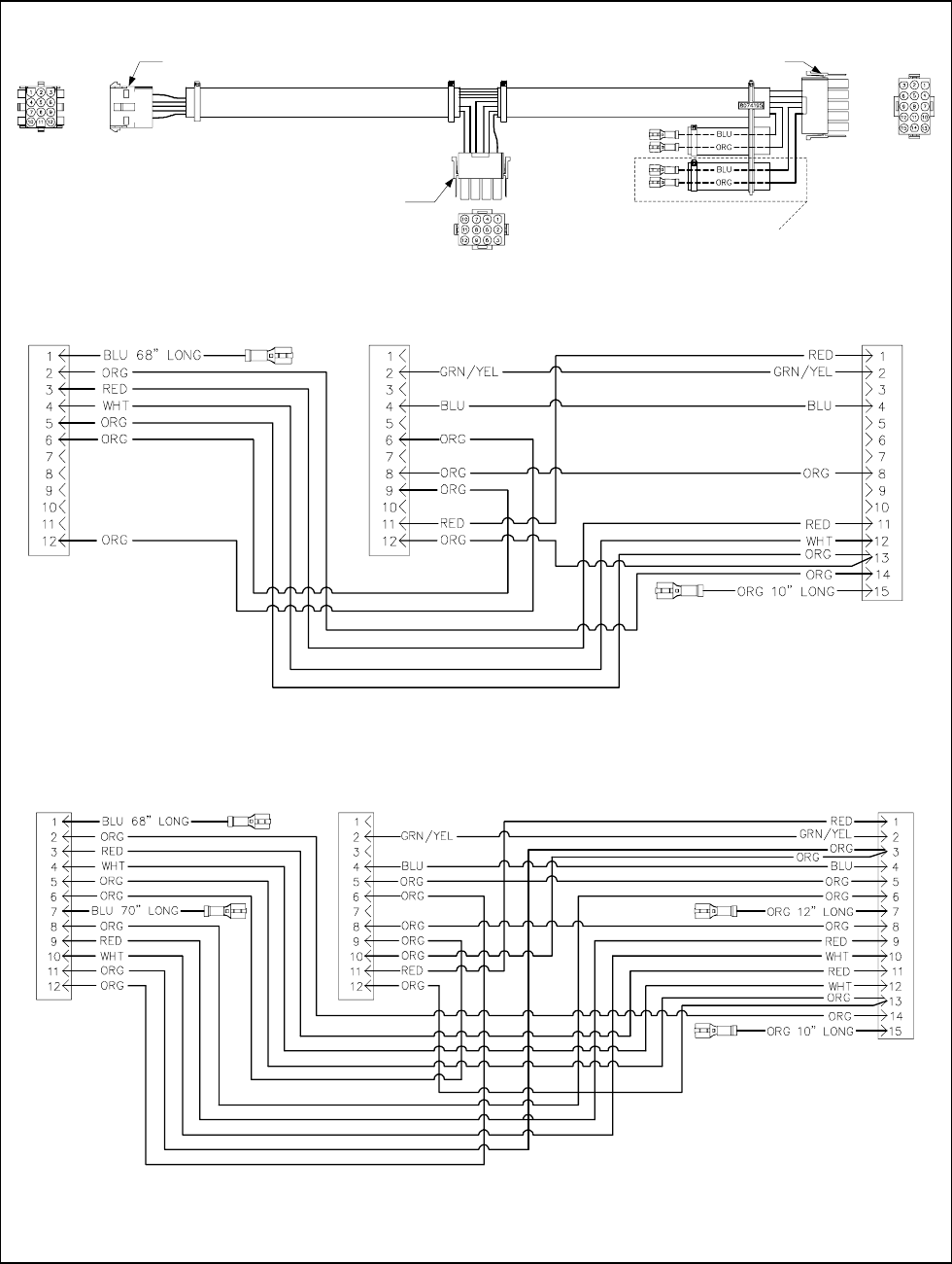
2.4.5.5 Main Wiring Harnesses
USED ONLY ON
DUAL VAT
HARNESSES
J4
C1C6
C6
C1
J4
J4C1C6
FULL VAT HARNESS
807-4194
DUAL VAT HARNESS
807-4195
12-Pin Female Connector
807-0159 (Rear of Fryer)
15-Pin Male Connector
807-0804 (Rear of Component Box)
12-Pin Male Connector
807-0160 (Contactor Box)