Specifications
Manuals
Brands
Autostart Manuals
Automotive
AS-6460i TW-FM
51
52
53
54
55
56
57
58
59
60
1-51
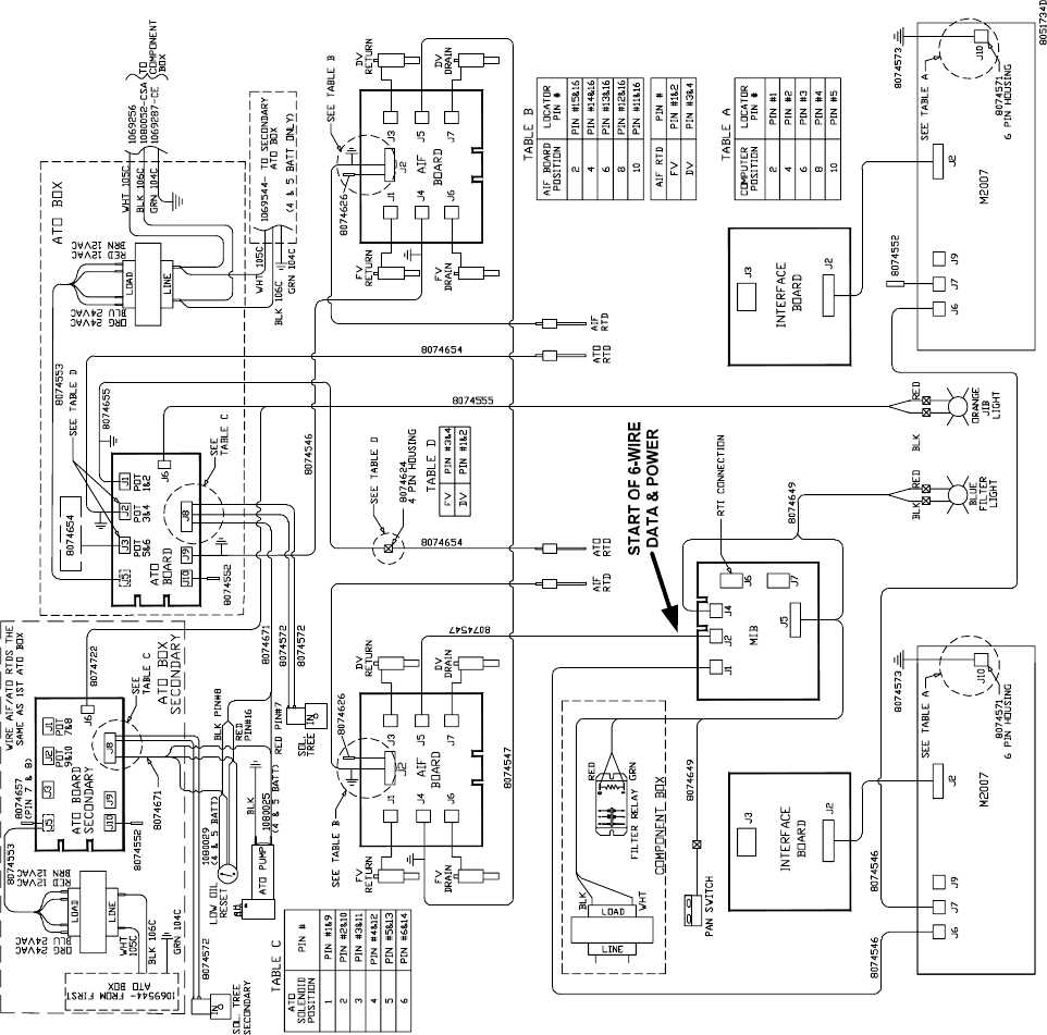
1.18.11 BIELA14 Series
LOV™ Simplified Wiring
1
...
...
56
57
58
59
60
...
...
92