Specifications
Manuals
Brands
Autostart Manuals
Automotive
AS-6460i TW-FM
51
52
53
54
55
56
57
58
59
60
1-50
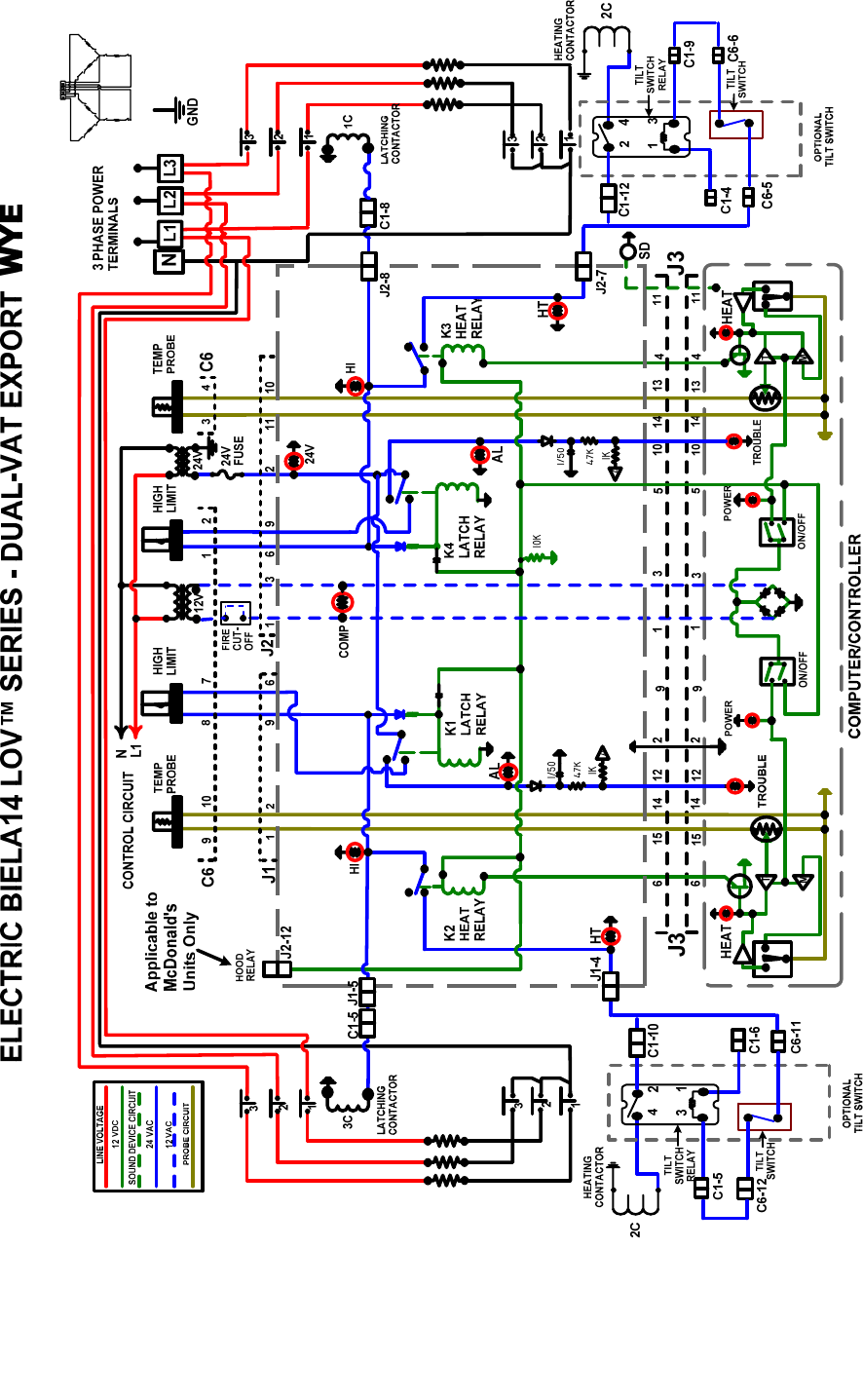
1.18.10 Simplified BIELA14 LOV™ Se
ries – Dual Vat Wiring EXPORT WYE
1
...
...
55
56
57
58
59
...
...
92