Specifications

1-49
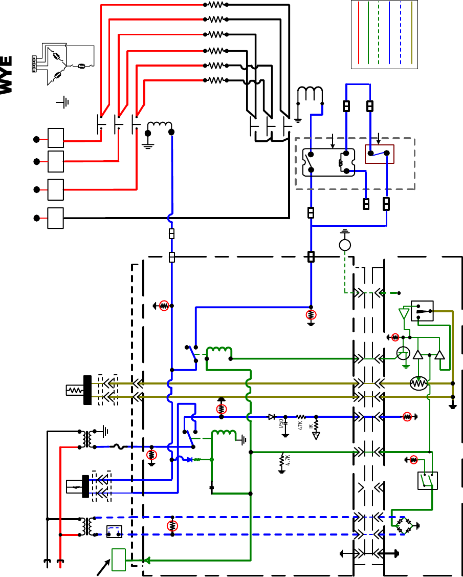
1.18.9 Simplified BIELA14 LOV™ Series – Full Vat Wiring EXPORT WYE
ELECTRIC BIELA14 LOV™ SERIES - FULL-VAT EXPORT
24V
HIGH
LIMIT
12
J2
11 10
2
1
6
9
J2-8
J2-7
J3
J3
2
2
13
13
14
14
4
4
11
11
LATCHING
CONTACTOR
3
1
2
3
2
1
1C
2C
HI
HT
TROUBLE
COMPUTER/CONTROLLER
INTERFACE
BOARD
COMP
J2
AL
K4
LATCH
RELAY
K3
HEAT
RELAY
HEAT
C1-8
C6
4
3
24V
TEMP
PROBE
12V
3
HI RELAY
12 VDC
1
1
3
3
7
7
10
10
5
5
HT RELAY
HOOD
RELAY
N
T
M
POWER
ON/OFF
GND
L2
L1N
SD
LINE VOLTAGE
12 VDC
24 VAC
12 VAC
PROBE CIRCUIT
SOUND DEVICE CIRCUIT
C6
2
1
OPTIONAL TILT
SWITCH
2
4
13
TILT
SWITCH
TILT
SWITCH
RELAY
HEATING
CONTACTOR
C1-12
Applicable to
McDonald's
Units Only
L3
L1
3 PHASE POWER
TERMINALS
24V
FUSE
C1-9
C6-6
C1-4
C6-5
FIRE
CUT-
OFF