Specifications
Manuals
Brands
Autostart Manuals
Automotive
AS-6460i TW-FM
51
52
53
54
55
56
57
58
59
60
1-47
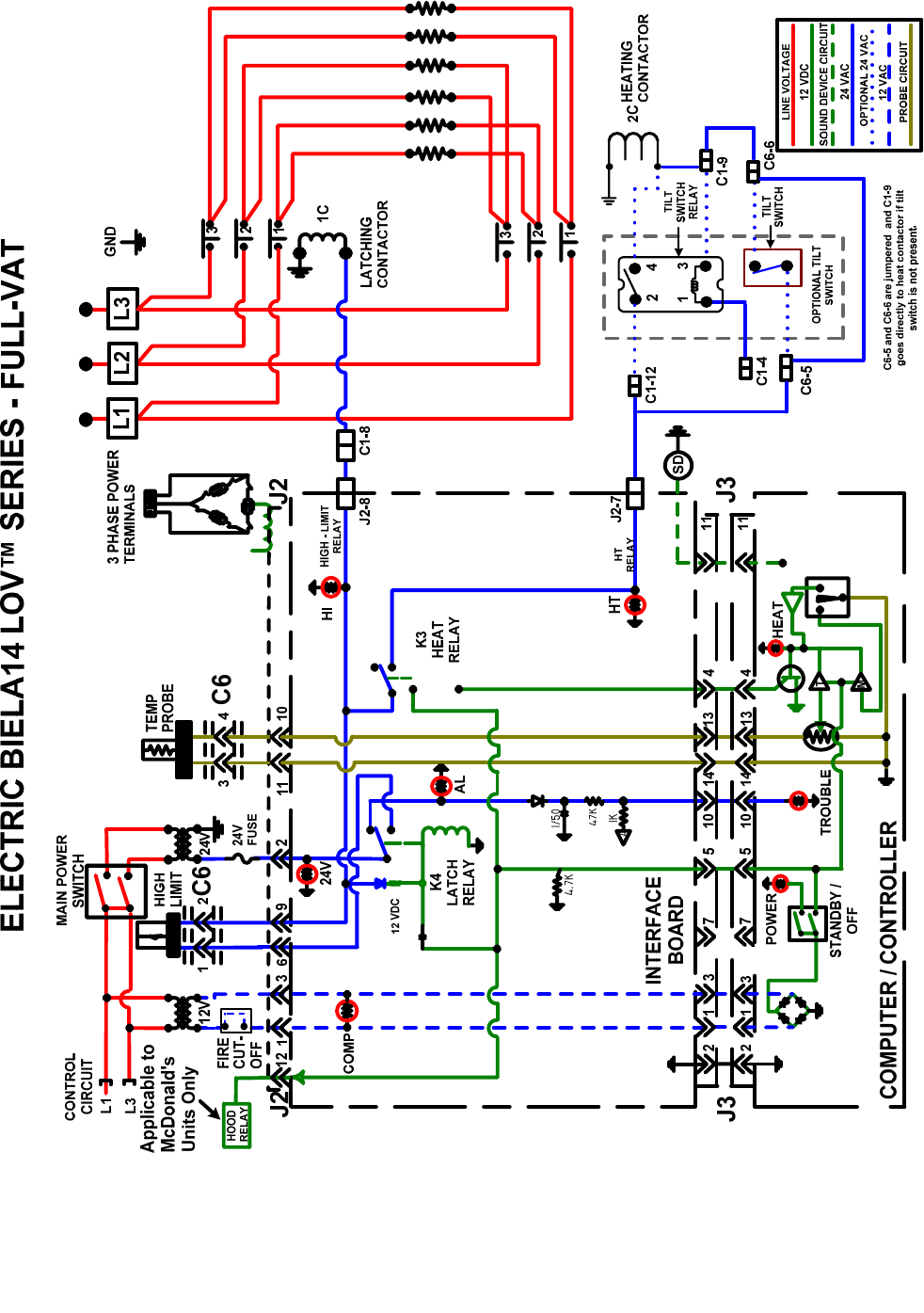
1.18.7 Simplified BIELA14 LOV™
Series – Full Vat Delta Wiring
1
...
...
52
53
54
55
56
...
...
92