Specifications
Manuals
Brands
Autostart Manuals
Automotive
AS-6460i TW-FM
51
52
53
54
55
56
57
58
59
60
1-46
1.18.6
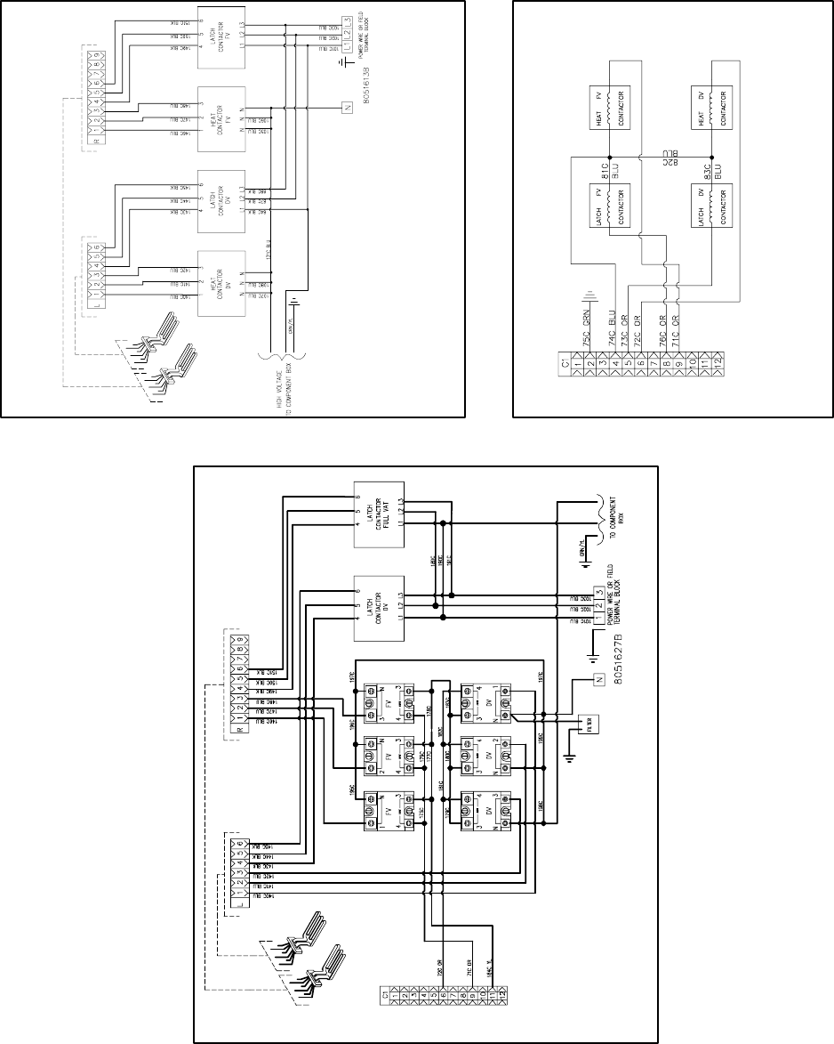
Contactor Box – WYE Configuration
MERCURY ELEMENT WIRING
MERCURY CONTROLS CIRCUIT
EPRI/TRIAC SSR ELE
MENT/CONTROLS WIRING
1
...
...
51
52
53
54
55
...
...
92