Specifications
Manuals
Brands
Autostart Manuals
Automotive
AS-6460i TW-FM
51
52
53
54
55
56
57
58
59
60
1-44
1.18.4
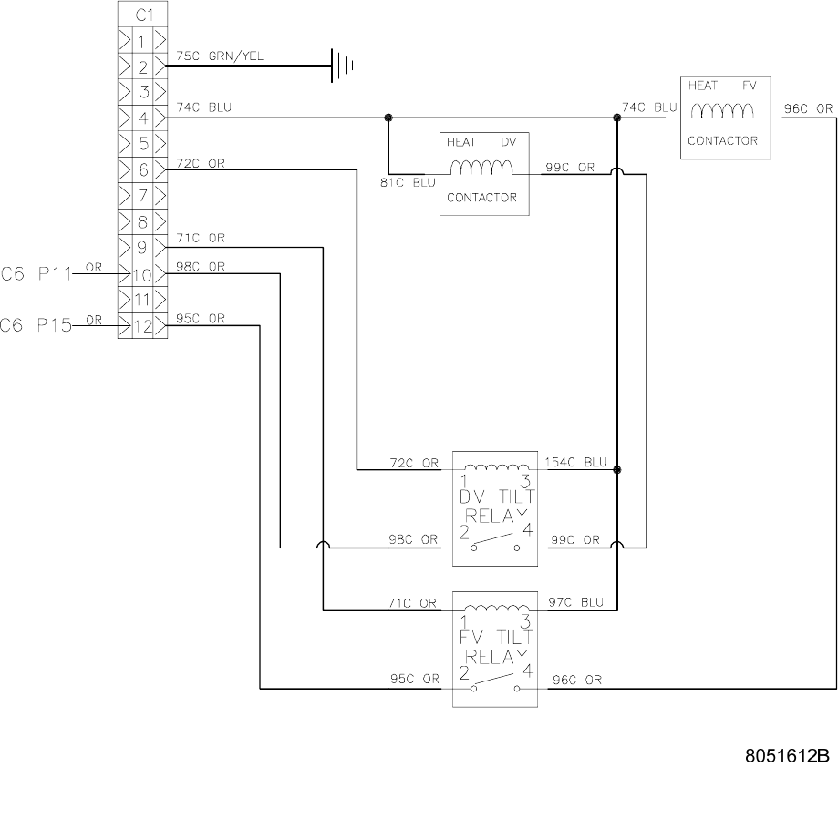
Tilt Switch Wiring
1
...
...
49
50
51
52
53
...
...
92