Specifications
Manuals
Brands
Autostart Manuals
Automotive
AS-6460i TW-FM
41
42
43
44
45
46
47
48
49
50
1-43
1.18.3
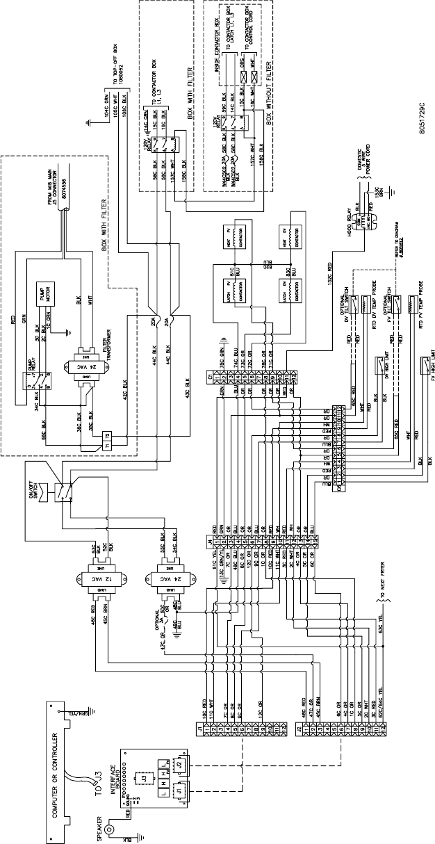
Component Wiring (CSA)
1
...
...
48
49
50
51
52
...
...
92