Specifications
Manuals
Brands
Autostart Manuals
Automotive
AS-6460i TW-FM
41
42
43
44
45
46
47
48
49
50
1-42
1.18.2
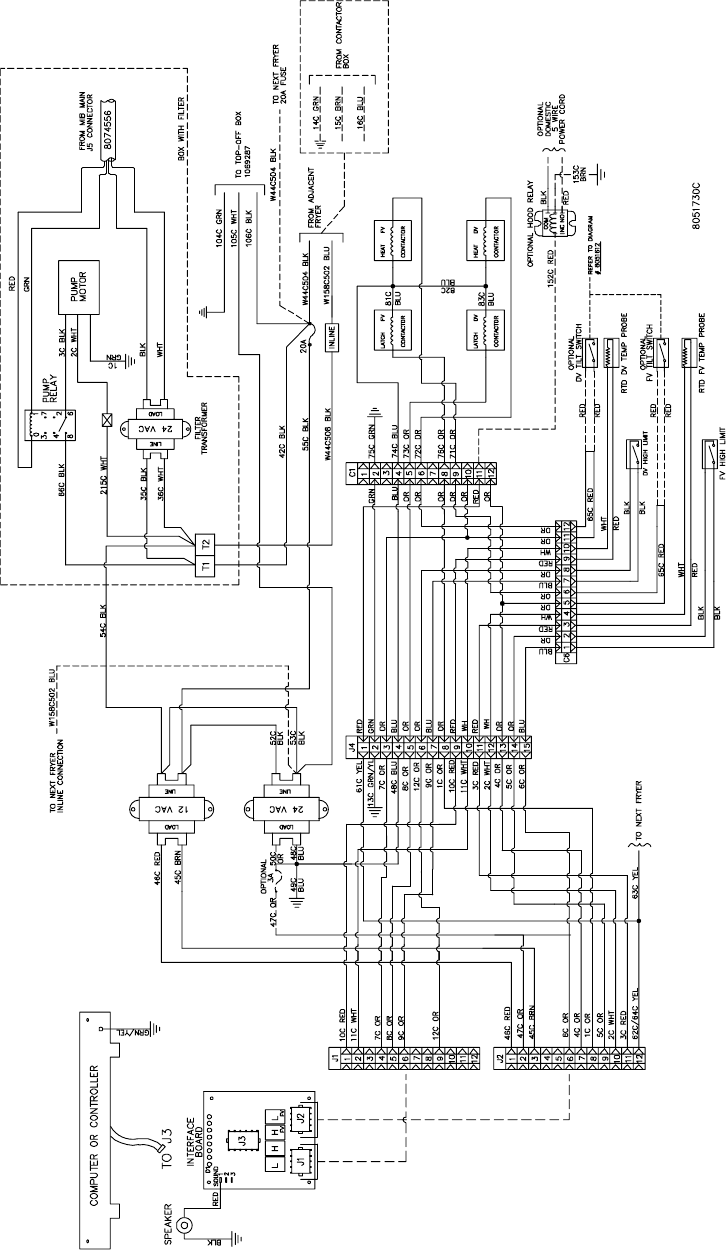
Component Wiring (CE)
1
...
...
47
48
49
50
51
...
...
92