Specifications
Manuals
Brands
Autostart Manuals
Automotive
AS-6460i TW-FM
41
42
43
44
45
46
47
48
49
50
1-41
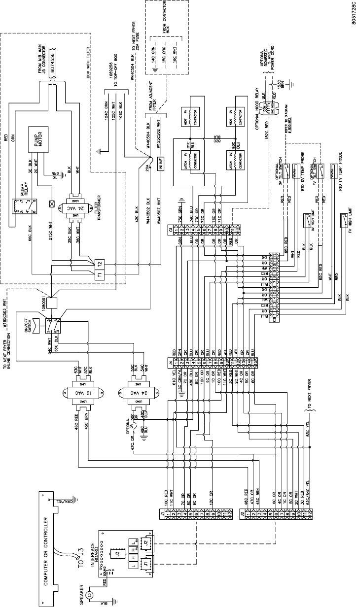
1.18 Wiring Diagrams
1.18.1
Component Wiring (Domestic)
1
...
...
46
47
48
49
50
...
...
92