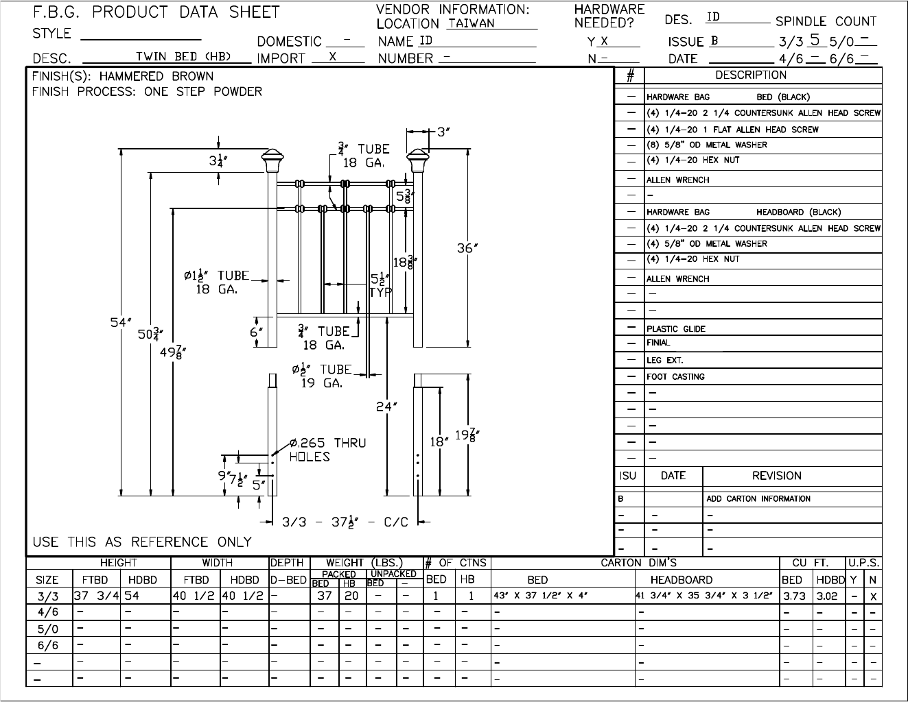
;&S' PRODUCT DATA SHEET L CONTORTION Tau O DRESDEN. DES. 1D spindle COUNT DOMESTIC _ = NAME ID ISSUE B 3/35 5/0— DISC.