User manual Owner manual
Manuals
Brands
Atop Technology Manuals
Computer Hardware
SE5404D
71
72
73
74
75
76
77
78
79
80
User manual Version 1.3
4-Port DIN-Rail
Serial Device Server
SE5404D
Copyright ©
2011 A
top Technologies
, Inc.
All rights reserved. Des
igned in T
aiwan.
-
70
-
A
.3.1
.3
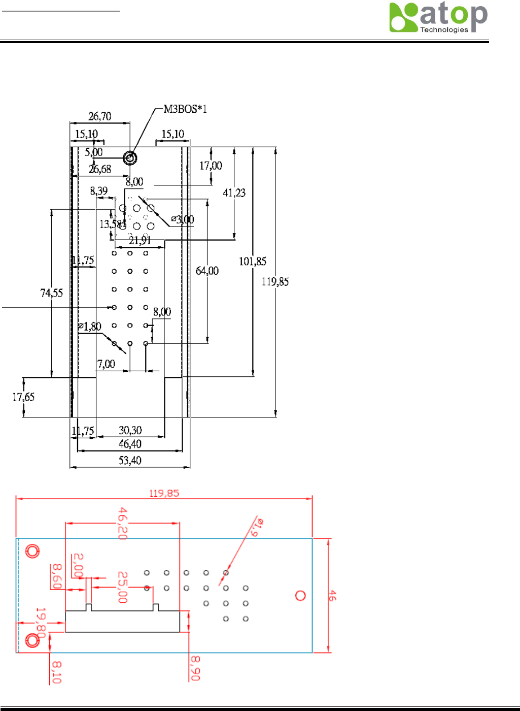
SE5404D T
op View
1
...
...
69
70
71
72
73
...
...
97