Specifications
Table Of Contents
- Table of Contents
- General Information
- Before You Start
- Installation Steps
- Connecting Speakers
- Powering Up System
- Self-Powered Controller Connections
- Controller to Generic Amplifier
- Controller to Amplified Speakers
- Controller to PagePac 20
- Controller to AmpliCenter 100
- Controller to D-Series AmpliCenter
- Troubleshooting
- Controller Specifications
- Controls and Indicators, Terminals and Connector
- Connectivity Chart
- Programming the Controller
- General Zone and Zone Group Configurations
- Output Zone/Group Configurations
- Input Zone / Group Options
- Error Tones
- Programming Quick Reference Chart
- Zone Map and Zone Configuration Tables
- Application Notes

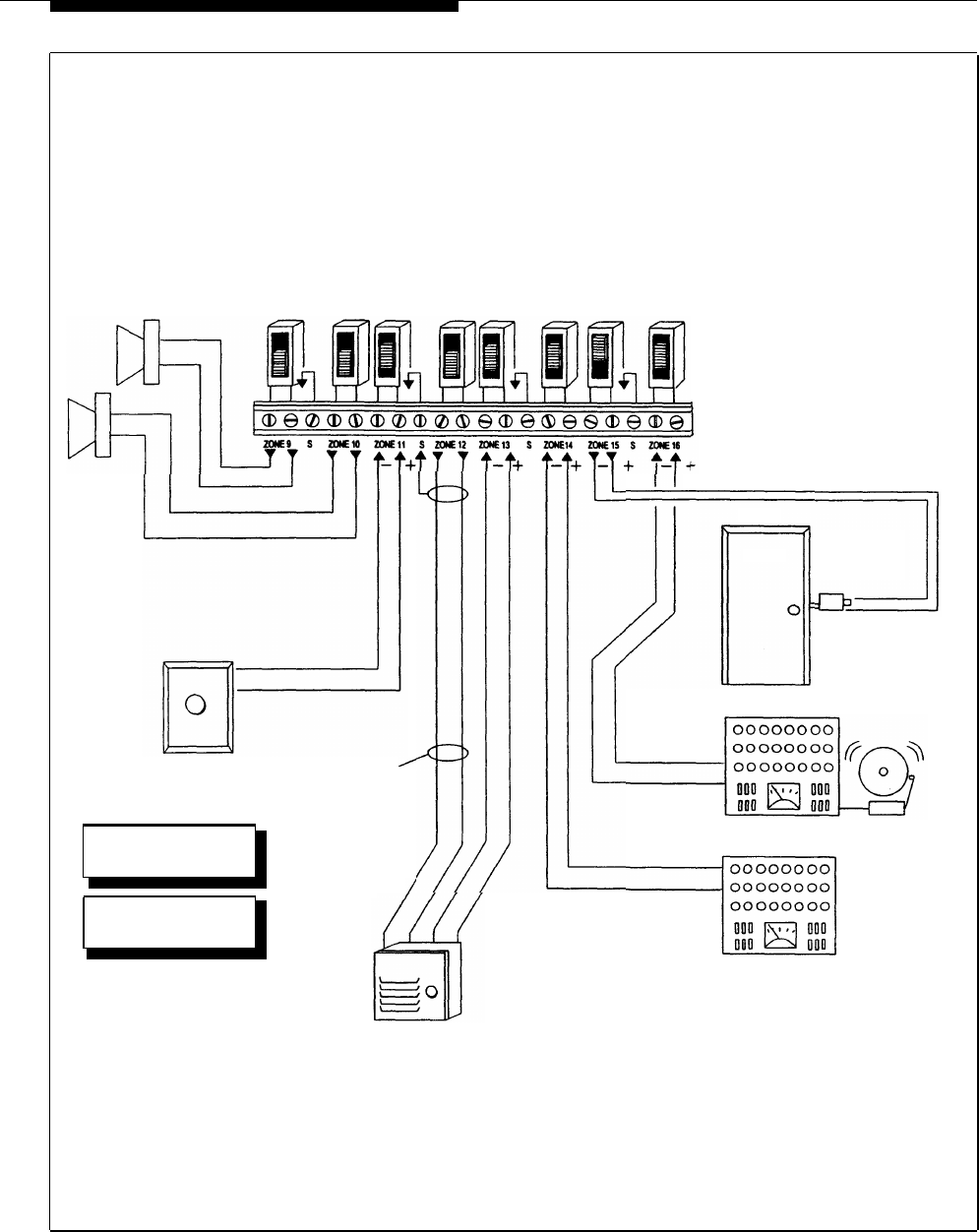
TYPICAL ZONE CONNECTIONS FOR
ZONE 1
ZONE EXPANSION UNIT
ZONE 2
CONTACT
CLOSURE OUTPUT
CONTACT
CLOSURE INPUT
70V OUTPUT
TERMINAL
CONNECTIONS USE
22 TO 24 AWG
DOORBELL
DOOR
POWER
ENTRANCE
LOCK
MECHANISM
OUTPUT-CONTACT
CLOSURE (MOMENTARY)
INPUT-CONTACT
CLOSURE
SHIELDED
CABLE
FIRE ALARM
INPUT-CONTACT
SYSTEM
CLOSURE
USE TERMINAL BLOCKS AS
ILLUSTRATED IN FIGURE 17
WHEN NECESSARY
70V ZONE
OUTPUT
AUDIO WITH
TALKBACK
LABEL ALL TERMINAL BLOCKS
BY ZONE # AND APPLICATION.
CONTACT
CLOSURE
INPUT FROM
PUSHBUTTON
SECURITY
ALERT
DOOR SPEAKER PHONE
Figure 17. Contact Closure Zone Wiring to Controller
11