Specifications
Table Of Contents
- Table of Contents
- General Information
- Before You Start
- Installation Steps
- Connecting Speakers
- Powering Up System
- Self-Powered Controller Connections
- Controller to Generic Amplifier
- Controller to Amplified Speakers
- Controller to PagePac 20
- Controller to AmpliCenter 100
- Controller to D-Series AmpliCenter
- Troubleshooting
- Controller Specifications
- Controls and Indicators, Terminals and Connector
- Connectivity Chart
- Programming the Controller
- General Zone and Zone Group Configurations
- Output Zone/Group Configurations
- Input Zone / Group Options
- Error Tones
- Programming Quick Reference Chart
- Zone Map and Zone Configuration Tables
- Application Notes

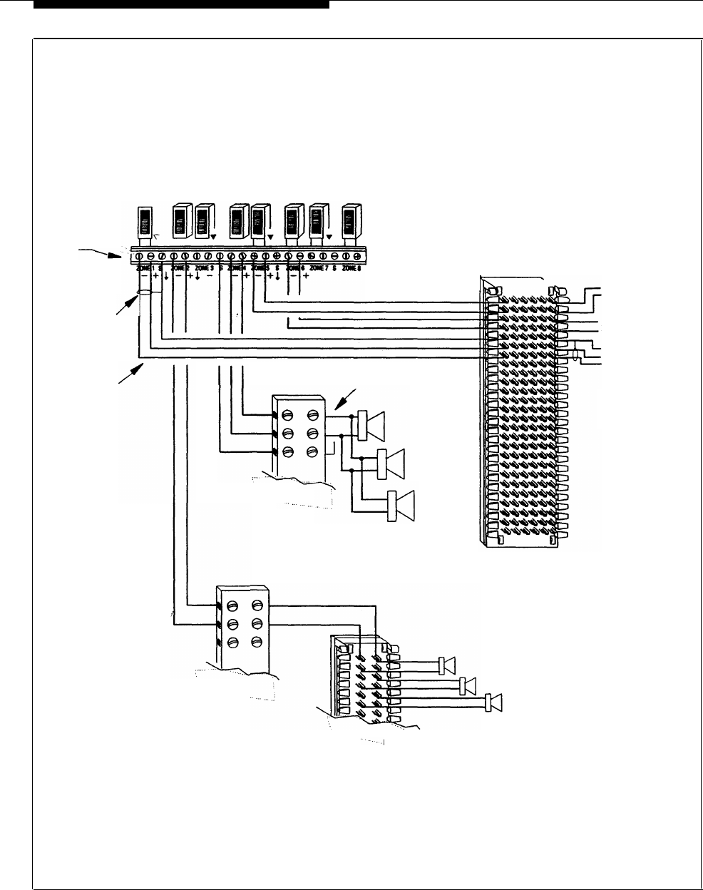
TYPICAL CONNECTIONS FOR CONTROLLER
OR ZONE EXPANSION UNITS ZONE CONNECTORS
CONTACT
CLOSURE OUTPUT
CONTACT
CLOSURE INPUT
70v OUTPUT
DO NOT
OVERTIGHTEN
SCREW OVER
WIRE
SHIELD TO
SPEAKERS OR
ZONE CLOSURES
CLOSURE
ZONE SWITCH
ZONE SWITCH
CLOSURE INPUT
SHIELD
SPEAKER
ZONES
LIMITED
NUMBER OF
PER ZONE
SPEAKERS
SHIELDED
24 TO 22 AWG
WIRE TO
CONNECTOR
LABEL
ZONE 5
ZONE 6
ZONE1
66 OR 110 TYPE
CONNECTOR
BLOCK
SCREW LUG
TERMINAL BLOCK
A LARGER GAUGE WIRE
MAY BE REQUIRED FOR
HIGH POWER OR VERY
LONG CABLE RUNS (500’ PLUS)
SCREW LUG
TERMINAL BLOCK
MULTIPLE SPEAKERS
SINGLE ZONE
(TYPICAL)
AT&T 66E OR 110
LABEL ALL ZONE
BLOCKS FOR EASE
OF INSTALLATION
Figure 16. Zone Wiring Using Connector Blocks
10