mini-tank electric water heaters INSTALLATION MANUAL MODEL GL 2.5 Ti GL 4 Ti GL 8 Ti

10
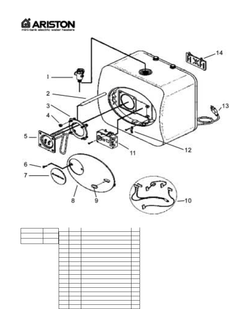
DESCRIPTION REF.
PART CODE DESCRIPTION REF.
1 100XL VALVE (T&P 3/4”) ABC
2 570241 ANODE (MAGNESIUM) C
2 574305 ANODE (MAGNESIUM) AB
3 994147 GASKET WITH 4 BOLTS ABC
4 994140 LOCK NUT M6 ABC
5 994103 HEATING ELEMENT (1500/120) AB
5 994104 HEATING ELEMENT (1500/120) C
6 PLASTIC COVER RETAINING SCREW
7 NAME BADGE (PLASTIC)
8 COVER
9 SWITCH COVER
10 THERMOSTAT WIRING
11 994062 THERMOSTAT AB
11 994102 THERMOSTAT C
12 CABLE CLAMP
13 SUPPLY CABLE AB
14 570341 HEATER WALL HANGING BRACKET ABC
15 gl6plug 3/4” BRASS PLUG (GL6 ONLY) C
GL 2.5Ti
GL 4Ti
GL 8Ti
A
B
C
ARISTON INTERIOR
COMPONENTS DIAGRAM
GL 2.5Ti, 4Ti, 8Ti