- Hellenbrand Water Conditioning System Owner's Manual

6
Avoid any type of
lubricants, including silicone, on red or clear lip seals.
4. A jumper ground wire should be installed between the
inlet and outlet pipe whenever the metallic continuity of
a water distribution piping system is interrupted. Install
jumper ground wire on metal pipes.
-
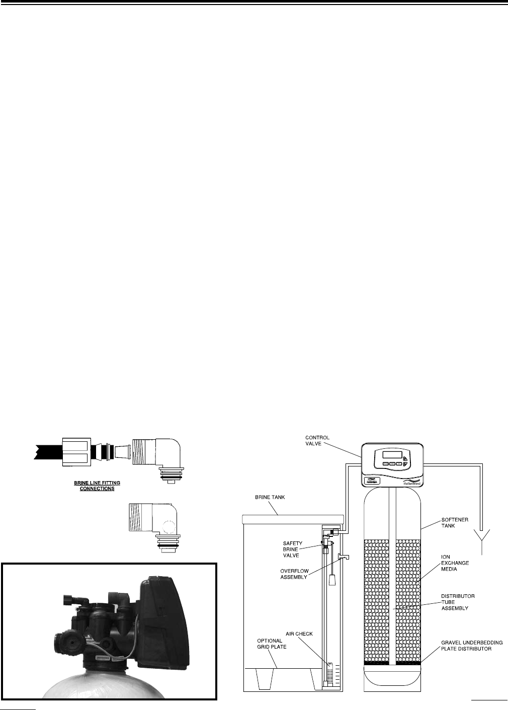
8. A 1/2” (inside diameter) gravity drain line should be connected
to the overow elbow on the side of the brine tank and run to
a drain below the level of the elbow. This overow drainage
system provides protection from water damage in the event
of a brine shut-off malfunction. Tubing is not provided to
do this.
-
INSTALLATION INSTRUCTIONS
(All electrical & plumbing should be done in accordance to all local codes)
Figure 6a
Figure 6b










