User's Manual
Manuals
Brands
APC Manuals
Computer Accessories & Peripherals
APC UPS 1500VA Smart-UPS with SmartConnect, Pure Sinewave UPS Battery Backup, Uninterruptible Power Supply, Rackmount UPS (SMT1500RM2UC)
1
2
3
4
5
6
7
8
9
10
Table Of Contents
SU UM 990-5442 FC EN
SU UM 990-5442 MN01 EN body.pdf
Important Safety Messages
Product Handling Guidelines
Safety and General Information
Inspect the package contents upon receipt. Notify the carrier and dealer if there is any damage.
Deenergizing safety
Electrical safety
Hardwire safety
Battery safety
General information
FCC Class A radio frequency warning
Specifications
Environmental specifications
Product Overview
Front panel display features
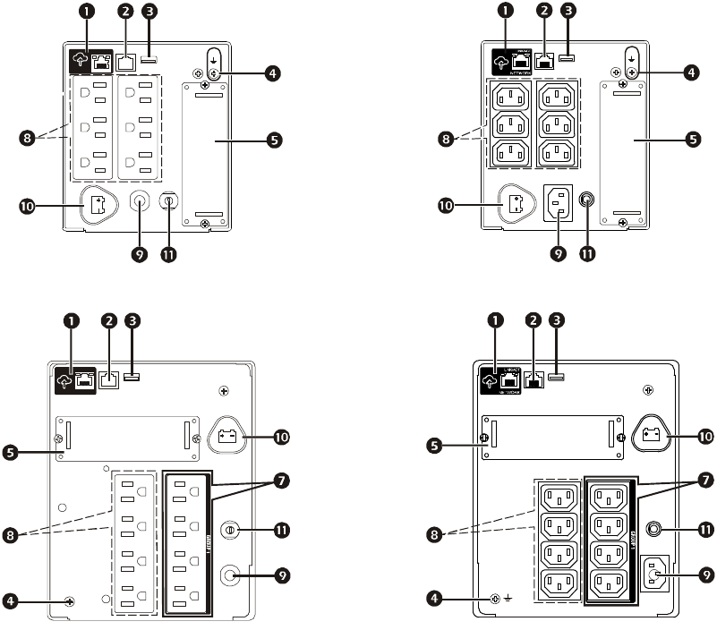
Rear panel features
Dimensions and weights
Installation
Placement
Connect to equipment and utilities
Start up Settings
Connect and Install Management Software
Operation
Using the display
Standard menus
Advanced menus
Configuration
General configuration settings
Outlet group configuration settings
Modbus settings
UPS IP Address settings
SmartConnect
Emergency Power Off
Overview
Normally open contacts
Normally closed contacts
Battery Replacement
Always recycle used batteries. For information on recycling a used battery, refer to the Battery Disposal Information sheet included with the replacement battery.
Troubleshooting
Limited Factory Warranty
Transport the Unit
Service
SU UM 990-5442 BC EN
Smart-UPS 750/1000/1500/2200/3000 VA 120/230 Vac
Tower / Rack-Mount 2U
8
SMT750C T
ower
SMT750IC T
ower
SMT1000C and SMT1500C T
ower
SMT1000IC and SMT1500IC T
ower
LINK/ACT
NETWORK
su09
86
b
su09
86
c
LI
NK/AC
T
NETWORK
su
0962
b
su09
62
c
1
...
...
8
9
10
11
12
...
...
30