
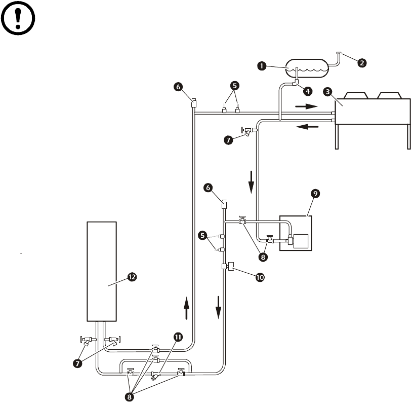
InRow Fluid Cooled RD Installation12
Glycol cooled piping
Note: Bottom piping shown.
Expansion tank*
Hose bibs*
Tank fill*
Gate valves*
Fluid-cooler
Pump package*
Airtrol fitting*
Flow switch
Temperature and pressure gauges*
Strainer*
Air vent*
InRow RD
* Field supplied and installed
na2766a