User Guide
Manuals
Brands
AO Smith Manuals
Boilers
Burkay 528,000 BTU Output Electronic Ignition Hot Water Boiler (Nat Gas)
21
22
23
24
25
26
27
28
29
30
28
28
28
28
28
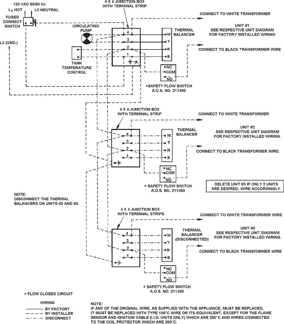
CER-TEMP 80 - 2 OR 3 UNIT INST
ALLA
TION CONNECTION DIAGRAM
(FOR HOT W
A
TER SUPPL
Y
APPLICA
TION)
U.S. MODELS, JUNCTION BOX W/4 TERMINALS
FIGURE 22
1
...
...
26
27
28
29
30
...
...
64