User Guide
Manuals
Brands
AO Smith Manuals
Boilers
Burkay 528,000 BTU Output Electronic Ignition Hot Water Boiler (Nat Gas)
11
12
13
14
15
16
17
18
19
20
19
19
19
19
19
SINGLE ST
AGE PROP
ANE ROBERTSHA
W GAS V
A
L
VE
24 VOL
T - HWB, HW
-300, 399 CANADIAN MODELS
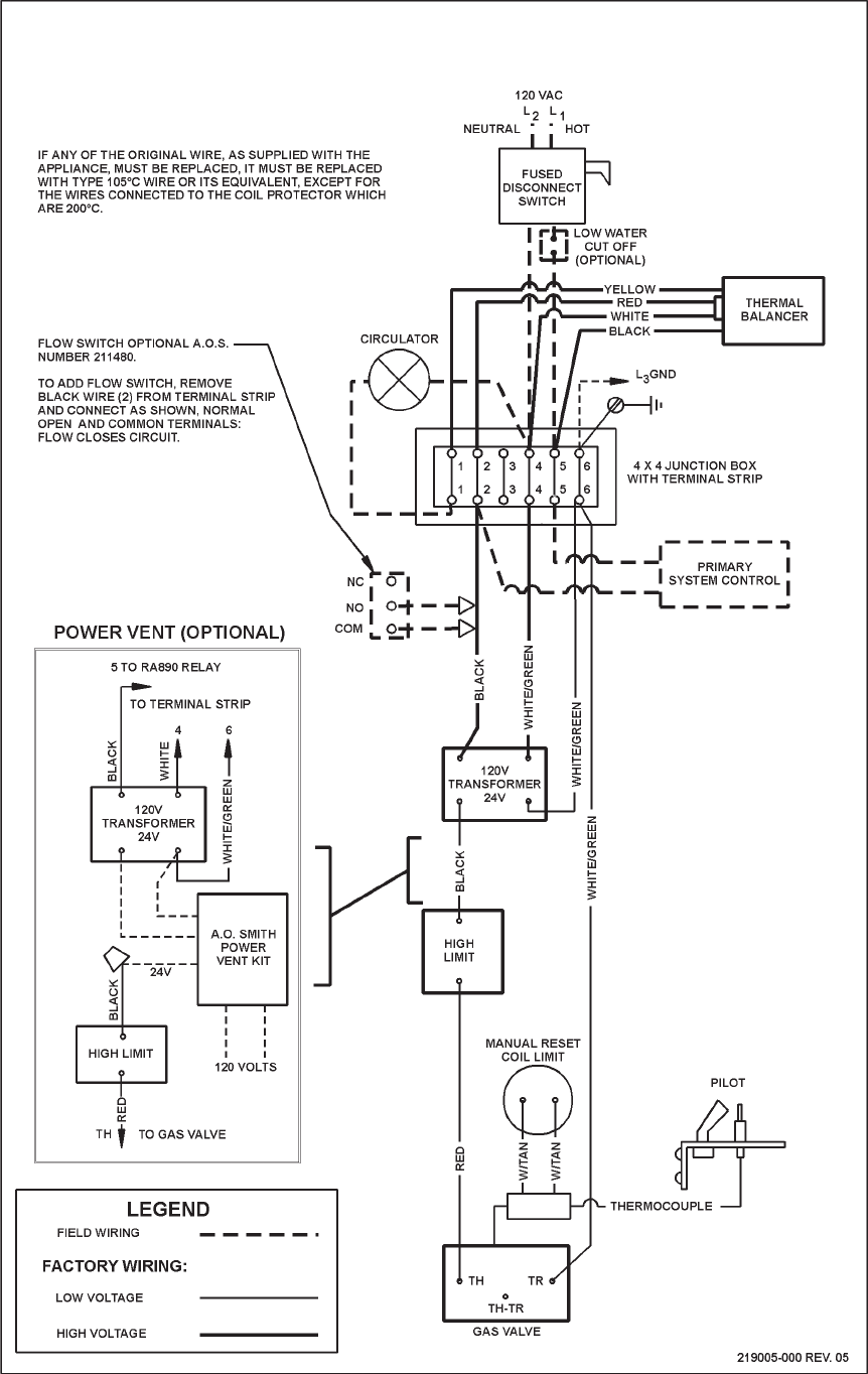
FIGURE 1
1A
CONNECTION DIAGRAM HWB & HW 300, 399
(PROP
ANE GAS)
FIGURE 13
1
...
...
17
18
19
20
21
...
...
64