User Guide
Manuals
Brands
AO Smith Manuals
Boilers
Burkay 528,000 BTU Output Electronic Ignition Hot Water Boiler (Nat Gas)
11
12
13
14
15
16
17
18
19
20
18
18
18
18
18
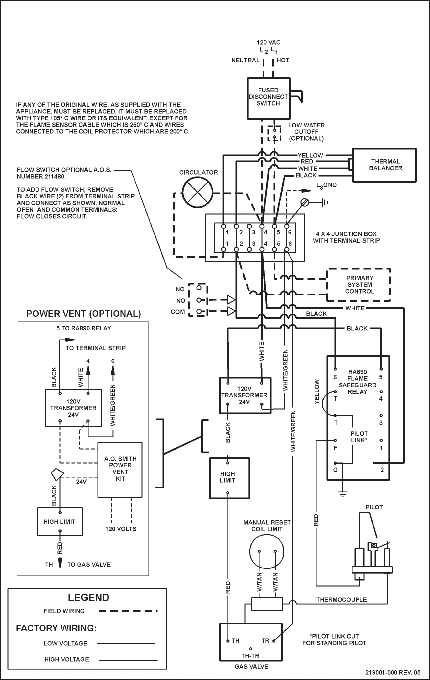
CONNECTION DIAGRAM
HWB, HW-420,-520, -610
(PROP
ANE GAS)
SINGLE ST
AGE PROP
ANE - ROBERTSHAW GAS V
AL
V
E
24 VOL
T -HW
, HWB-420, -520, -610 CANADIAN MODELS
FIGURE 1
1
1
...
...
16
17
18
19
20
...
...
64