User Guide

2222
2222
22
2.
LINEAR-TEMP INSTALLATIONS
Control for these systems is decided mainly by the type of building
system controlling that is desired. A single boiler installation might
be controlled directly from space temperature thermostat(s).
Multiple boiler installations are more effective when the boilers
are sequenced in and out of operation by some form of main water
temperature controller. With one to three boilers, individual controls
set at progressive temperatures may be used. For more than
three or four boilers, a step controller is recommended.
Individual boiler controls, or the separate stages of a step controller,
should fire a boiler and also start the boiler loop circulator whenever
the first boiler of a group supplied by that boiler loop is fired. Some
large installations may require the firing of more than one boiler
per stage.
The system or primary circulator may or may not be controlled by
the boiler sequencer. When this pump is operated through the
first switch of any type of step controller, care should be taken to
determine if a motor starter is needed due to insufficient switch
capacity.
If the primary pump is controlled by a manual switch or any other
controllers, the electric current supply to the boiler group should
be through the primary pump controller. The fast response of
A. O. Smith boilers eliminates any need to maintain boiler
temperature when the system is satisfied. Wiring should always
prevent firing of boiler(s) when there is no water flow in the mains.
Installation diagrams show flow switches in the outlet piping from
each boiler as good protection against any boiler being fired when
the boiler loop circulator is not in operation. These flow switches
will also serve as protection if there is a loss of water.
Outdoor vent systems will normally require an automatic shutdown
control if there is a continuous recirculating main and/or if the
entire building is not under control of space temperature
thermostats. A single bulb outdoor sensing control will prevent
overheating of halls, stairways or other uncontrolled areas. There
are occasions when outdoor temperatures are temporarily too
warm for even a moderate amount of heating in these areas.
Space temperature controlling can be varied to meet the building
requirements. Either the single thermostat, as shown, or multiple
zone thermostats should control a common relay. This relay
controls electric power to the system primary circulator and to the
main water temperature controller. This provides for water
movement in the system before the main temperature controller
can start the secondary circulating pump or fire the boiler.
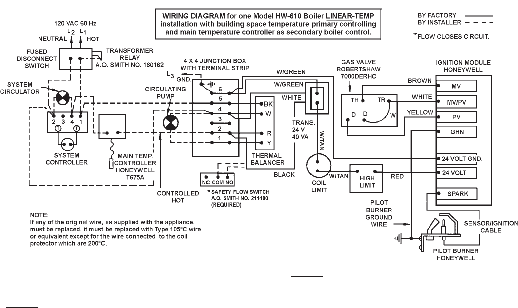
Figure 12 shows a typical wiring diagram for a single boiler space
heating installation. The boiler may be controlled by a main
temperature controller as shown or may include outdoor reset if
desired. The boiler shown is the model HW-610 with single stage
firing, typical of HW models.
Figure 13 shows a layout for various choices of controls often
found in commercial heating. These layouts are not intended to
be wiring diagrams and only show the relation of one device to
another in the system.
Figure 13 is a typical layout of controls for two boilers with one
circulator and including optional outdoor reset and thermal
balancer. If a secondary circulator is used with each boiler,
arrangement for boiler no. 2 will be as shown for boiler no. 1.
Commercial size installations are always best when designed to
individual building requirements.
The layout in figure 13 is typical of many combination possibilities
to meet the requirements of different buildings. Brand names of
controls shown are suggestions and not directly related to any
particular type of system. THESE LAYOUTS ARE NOT WIRING
DIAGRAMS.
A.O. Smith offers accessory Sequencing Control Panels;
TEK-252 for 2 Stage Boiler Control
TEK-254 for 4 Stage Boiler Control
TEK-258 for 8 stage Boiler Control
For more information contact A.O. Smith Product Service
Department at 1-800-433-2545.
TYPICAL WIRING DIAGRAM (IID NATURAL GAS) FOR SINGLE BOILER LINEAR-TEMP
®
INSTALLATION FOR CANADIAN MODELS
FIGURE 12










